EasyManua.ls Logo

Portacool PAC2K482S - Two-Speed Wiring Diagram

Portacool PAC2K482S
28 pages
Print Icon
To Next Page IconTo Next Page
To Next Page IconTo Next Page
To Previous Page IconTo Previous Page
To Previous Page IconTo Previous Page
Loading...
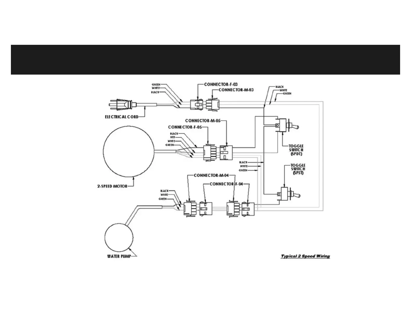
TWO-SPEED WIRING DIAGRAM
24

Related product manuals