EasyManua.ls Logo

Pothier PEF1451 - Page 8

Pothier PEF1451
19 pages
Print Icon
To Next Page IconTo Next Page
To Next Page IconTo Next Page
To Previous Page IconTo Previous Page
To Previous Page IconTo Previous Page
Loading...
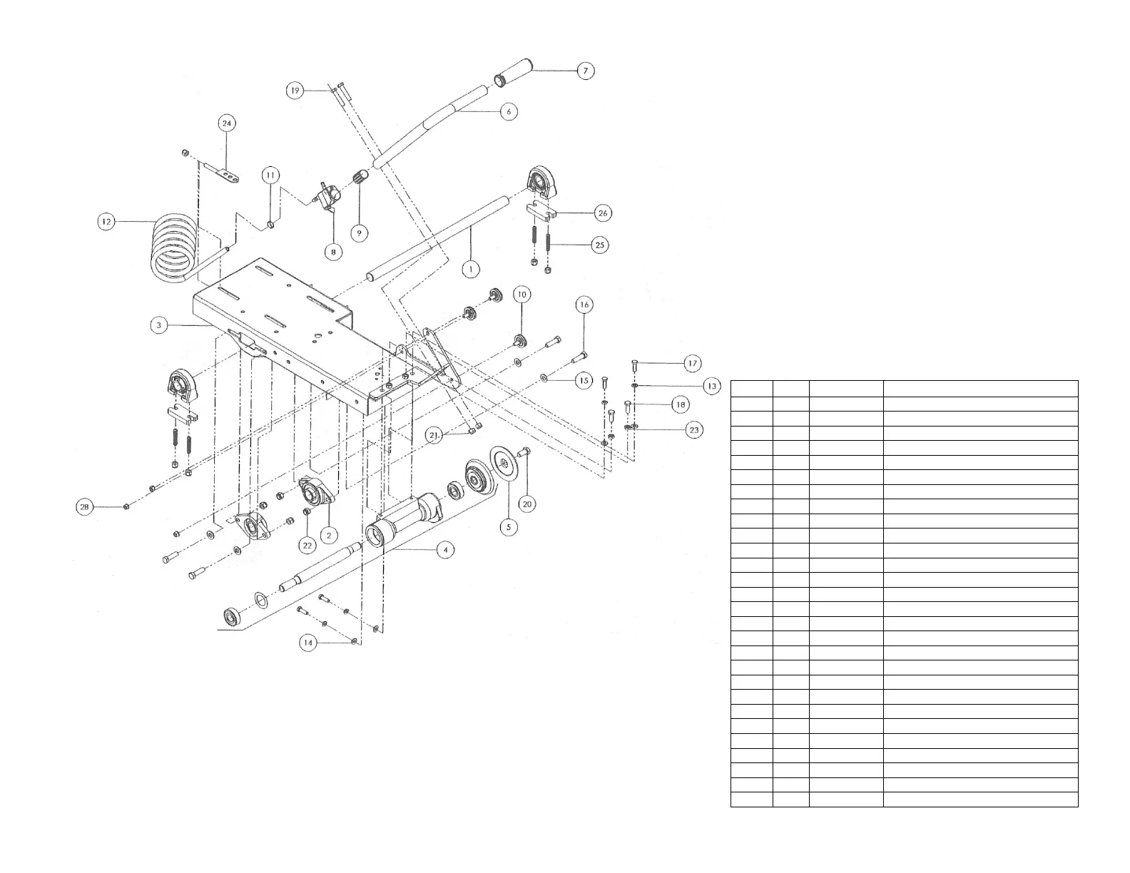
Upper Platform
ITEM
QTY
PART NO
DESCRIPTION
1
1
510166001
SHAFT, 1” COUNTER DRIVE
2
2
510262101
BEARING, 1.00” DIA. 2-BOLT FLANGE
3
1
510161907
PLATFORM WELDMENT
4
1
195021
BLADESHAFT W/ HSG, GM, B/M
5
1
030951
FLANGE, OUTER
6
1
510260301
HANDLE
7
1
542139568
HANDLE GRIP
8
1
506386012
VALVE ASSY
9
1
537204201
CONDUIT, GREY PVC
10
3
030822
CART WHEEL
11
1
541200467
CLAMP, POINTER ROPE
12
1
523120305
VINYL TUBING, 3/8” I.D. X 64”
13
4
539990187
WASHER, LOCK, .312 REG, STL, PLTD
14
4
539990188
WASHER, FLAT, .313, NARROW, PLTD
15
4
177816
WASHER, FLAT, .438, NARROW, PLTD
16
4
541204969
HHCS .4375-14UNC, STL, GR 5, 1.50 LG
17
4
541205197
HHCS .3125-24UNC, STL, GR 5, 1.00 LG
18
2
168133
HHCS .375-24UNC, STL, GR 5, 1.00 LG
19
2
539990730
HHCS .375-16UNC, STL, GR 5, 1.75 LG
20
1
020378
HHCS .500-20UNC, STL, GR 5, 1.00 LG
21
7
539976979
.375-16UNC HEX LOCK NUT
22
4
020210
.4375-14UNC HEX LOCK NUT
23
2
020171
NUT, HEX JAM THIN .375-24 Z/P
24
1
177696
DRAW BOLT, .375-16UNC
25
4
522676403
SHSS, 3/8-16UNC X 2” LG
26
2
510179302
SPACER, BEARING
27
2
045241
BEARING, PILLOW BLOCK 1”
28
3
032366
NUT, KEPS, .3125-18UNC