EasyManua.ls Logo

Poulan Pro PRRT65C - Handle Assembly; Repair Parts-Tiller

Poulan Pro PRRT65C
28 pages
Print Icon
To Next Page IconTo Next Page
To Next Page IconTo Next Page
To Previous Page IconTo Previous Page
To Previous Page IconTo Previous Page
Loading...
20
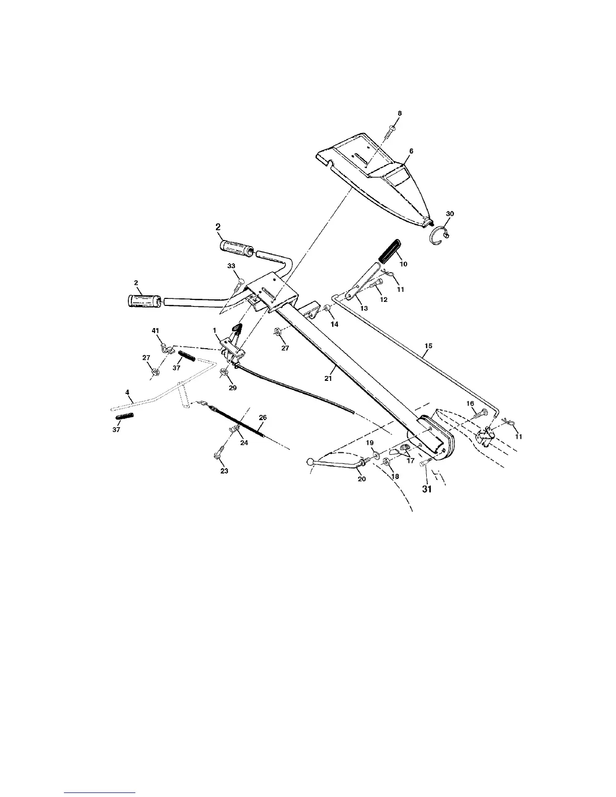
REPAIR PARTS
TILLER - - MODEL NUMBER PRRT65C
HANDLE ASSEMBLY
KEY PART
NO. NO. DESCRIPTION
21 180517X428 Handle
23 86777 Screw, Hex Washer Hd. Slotted
#10-24 x 1/2
24 9484R Clip
26 159231 Cable, Clutch
27 73900400 Nut Hex Flange 1/4-20 Unc
29 73731000 Nut, Keps #10-24 UNC
30 104164X Tie, Cable
31 150696 Bolt, Pivot
33 72140404 Bolt, Carriage 1/4-20 UNC x 1/2
37 102604X Grip, Bar, Control
41 102744X Clamp, Bar, Control
KEY PART
NO. NO. DESCRIPTION
1 180634 Control, Throttle
2 9266R Grip, Handle
4 159228 Bar Assembly, Control
6 180678 Panel, Control
8 71191008 Screw, Phd. #10-24
10 8206H Grip, Handle
11 4497H Clip, Hairpin
12 81328 Bolt, Shoulder
13 109335X Handle, Shift
14 109313X Grommet, Rubber
15 109337X Rod, Shift
16 72110608 Bolt, Carriage 3/8-16 x 1 Gr. 5
17 109229X Lock, Handle
18 73680600 Nut, Crownlock 3/8-16 Unc
19 19131611 Washer 13/32 x 1 x 11 Ga.
20 109228X Lever, Lock, Handle
NOTE: All component dimensions given in U.S. inches.
1 inch = 25.4 mm

Related product manuals