EasyManua.ls Logo

Poulan Pro PRRT65C - Page 24

Poulan Pro PRRT65C
28 pages
Print Icon
To Next Page IconTo Next Page
To Next Page IconTo Next Page
To Previous Page IconTo Previous Page
To Previous Page IconTo Previous Page
Loading...
24
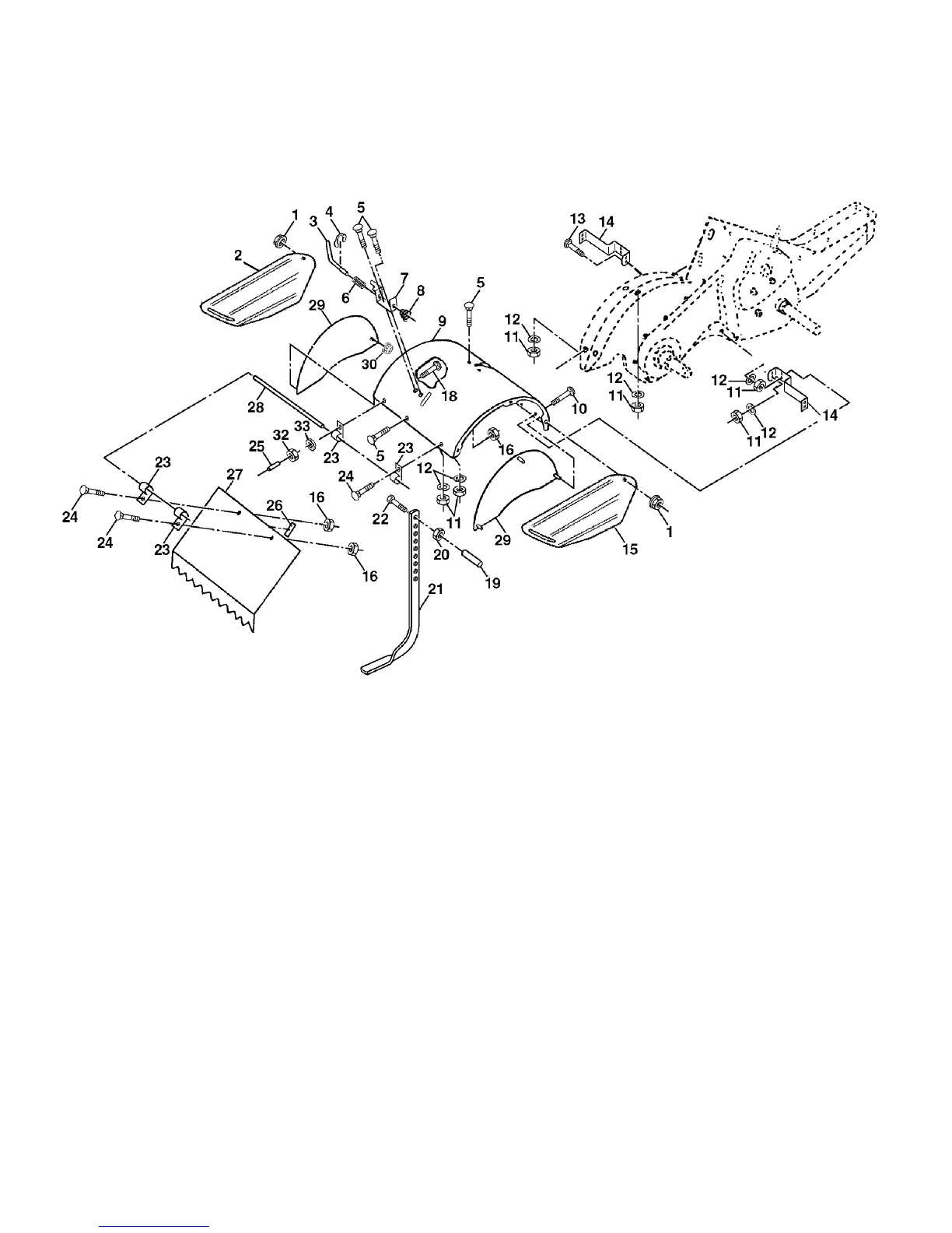
19 102701X Grip
20 73220600 Nut, Hex 3/8-16
21 102156X Stake, Depth
22 74930632 Bolt, Hex 3/8-16 x 2
23 4440J Hinge
24 72140404 Bolt, Carriage 1/4-20 x 1/2 Gr. 5
25 6712J Cap, Vinyl
26 109227X Pad, Idler
27 102695X428 Shield, Leveling
28 120588X Pin, Hinge
29 124309X428 Shield, Side
30 73970500 Locknut, Flange 5/16-18
32 73220400 Nut Fin Hex 1/4-20 UNC
33 10040400 Washer Lock Hvy Helical 1/4
KEY PART
NO. NO. DESCRIPTION
KEY PART
NO. NO. DESCRIPTION
1 73900500 Nut, Lock Hex Flange 5/16-18
2 161415X428 Shield, Side, Outer L. H.
3 8393J Pin, Stake, Depth
4 12000035 Ring, Klip
5 72140508 Bolt 5/16-18 Unc x 1
6 8394J Spring
7 8392J Bracket, Latch
8 109230X Spring, Depth Stake
9 124289X428 Shield, Tine
10 180847 Bolt 5/16-18 x 3/4 ZNC
11 73220500 Nut, Hex 5/16-18
12 10040500 Washer, Lock 5/16
13 72110510 Bolt, Carriage 5/16-18 x 1-1/4
14 124311X Bracket, Shield Tine
15 161414X428 Shield, Side, Outer R.H.
16 73900400 Nut, Hex Flange 1/4-20 UNC
18 72040410 Bolt, Carriage 1/4-20 x 1-1/4 Gr.
NOTE: All component dimensions given in U.S. inches.
1 inch = 25.4 mm
REPAIR PARTS
TILLER - - MODEL NUMBER PRRT65C
TINE SHIELD

Related product manuals