EasyManua.ls Logo

Power Dynamics PDWS2 - Page 12

Power Dynamics PDWS2
16 pages
Print Icon
To Next Page IconTo Next Page
To Next Page IconTo Next Page
To Previous Page IconTo Previous Page
To Previous Page IconTo Previous Page
Loading...
12
DÉBALLAGE
ATTENTION ! Immédiatement après réception, vérifiez le contenu du carton et assurez-vous que tous les éléments sont bien
présents et en bon état. Si besoin, faites les réserves nécessaires si le matériel ou les cartons sont endommagés. SI l’appareil
doit être retourné, faites-le dans l’emballage d’origine.
Si l’appareil a été exposé à des fluctuations importantes de températures (par exemple après le transport), ne l’allumez pas
immédiatement. De la condensation peut survenir. Laissez l’appareil éteint le temps qu’il atteigne la température ambiante.
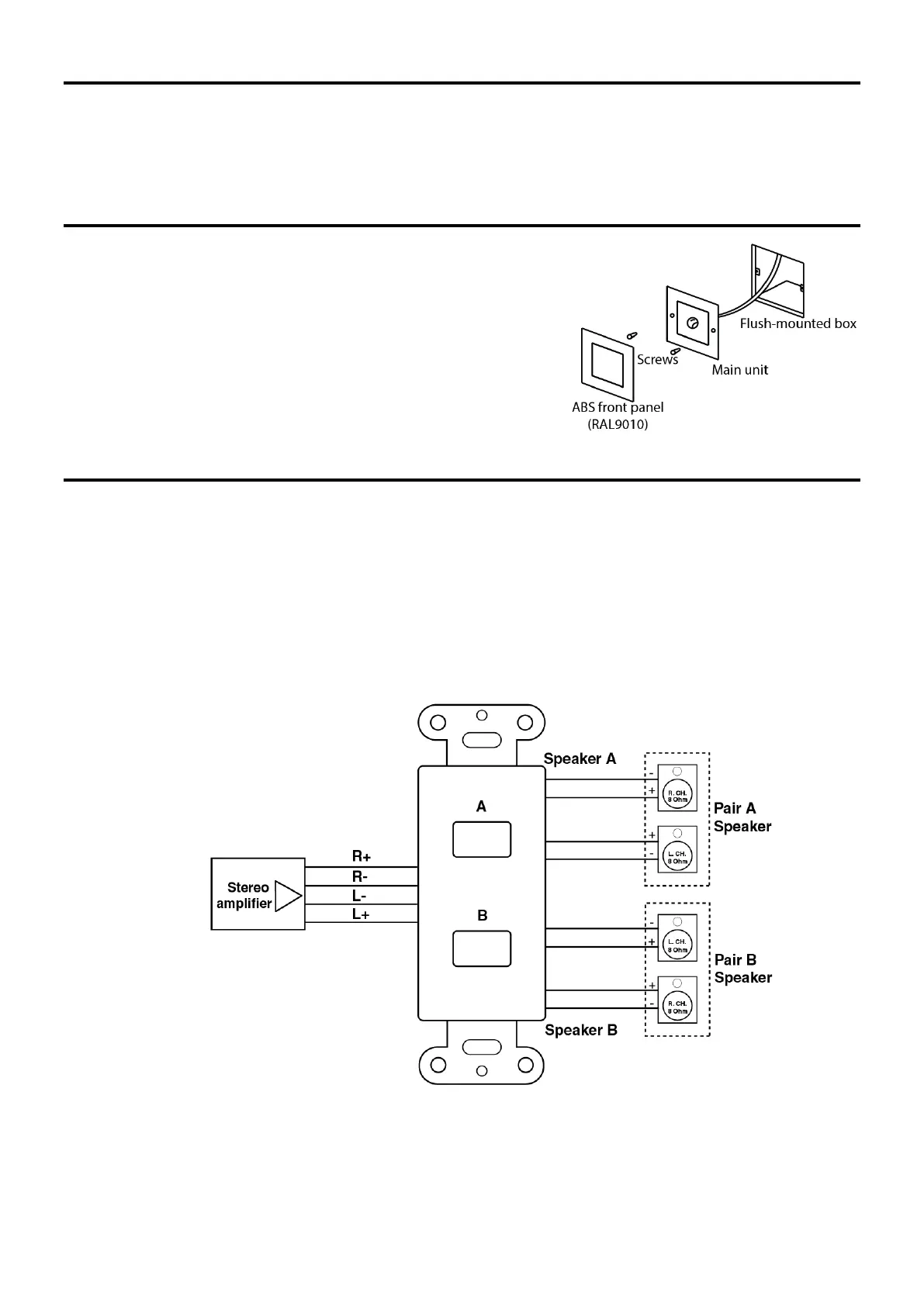
MONTAGE
Le contrôle de volume est conçu pour être monté dans un boîtier électrique
mural DIN 49073, d'une profondeur d'au moins 50 mm (le paquet comprend
également un boîtier mural universel).
Choisissez un emplacement qui soit à portée des fils du haut-parleur et facile
d'accès lorsque vous voulez actionner le contrôle du volume.
Mesurez avec précision avant de commencer le processus de
coupe/sciage/perçage!
Attention : Ne pas monter le contrôle du volume directement sur un mur !
CONNECTER
1. Connectez le câble de l'enceinte à la commande de l'enceinte :
A. Dénudez 6 mm d'isolant à l'extrémité de chaque câble.
B. Tordez fermement les fils de chaque câble jusqu'à ce qu'il n'y ait plus d'extrémités effilochées.
C. Insérez les 4 câbles d'enceinte de l'amplificateur dans la zone d'entrée.
D. Insérez les 8 câbles d'enceinte (comme vous pouvez le voir ci-dessous sur l'image).
2. Vissez le boîtier en place, Mettez la plaque frontale en ABS.

Related product manuals