EasyManua.ls Logo

Power Dynamics PDWS2 - Page 14

Power Dynamics PDWS2
16 pages
Print Icon
To Next Page IconTo Next Page
To Next Page IconTo Next Page
To Previous Page IconTo Previous Page
To Previous Page IconTo Previous Page
Loading...
14
INSTRUKCJA ROZPAKOWYWANIA
OSTRZEŻENIE! Natychmiast po odbiorze urządzenia, ostrożnie otwórz karton ochronny, oraz sprawdź zawartość i stan
techniczny przedmiotu. Niezwłocznie powiadom kuriera oraz zachowaj opakowanie zewnętrzne do kontroli, jeśli jakikolwiek
element zawartości wygląda na zniszczony w transporcie lub nosi objawy złego traktowania paczki. W takim wypadku należy
niezwłocznie odesłać sprzęt do producenta. Sprzęt należy wysłać w oryginalnym opakowaniu.
Jeśli urządzenie było wystawione na działanie niskich temperatur (np. podczas transportu), nie uruchamiaj go od razu.
Powstające zjawisko kondensacji widy może uszkodzić urządzenie. Pozostaw urządzenie wyłączone, dopóki nie osiągnie
temperatury pokojowej.
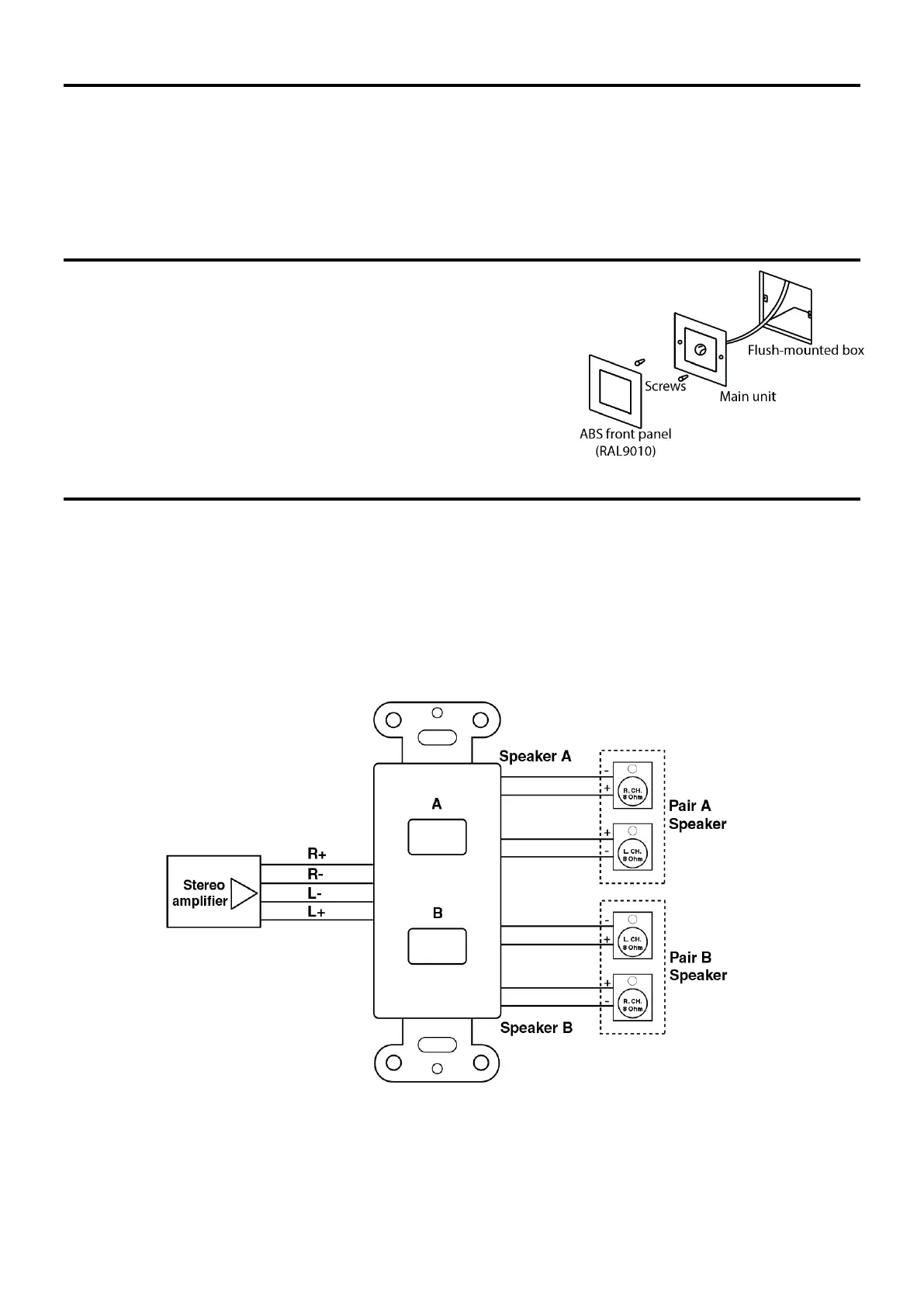
MONTREGULATORA GŁOŚNOŚCI
Regulator głośności jest przeznaczony do montażu w elektrycznej puszce
ściennej DIN 49073, o głębokości co najmniej 50 mm (w opakowaniu znajduje
się również uniwersalna puszka do montażu na ścianie).
Wybierz miejsce, które jest w zasięgu przewodów głośnikowych i jest łatwe do
dosięgnięcia gdy chcesz sterować regulacją głośności. Dokonaj dokładnych
pomiarów przed rozpoczęciem procesu cięcia / piłowania / wiercenia!
Ostrzeżenie: Nie montuj regulatora głośności bezpośrednio na ścianie!
PODŁĄCZENIE
1. Podłącz kabel głośnikowy do regulatora głośnika:
A. Zdejmij 6 mm izolacji z końca każdego kabla.
B. Mocno skręć przewody w każdym z kabli, tak aby nie było postrzępionych końców.
C. Włóż 4 kabli głośnikowych ze wzmacniacza do obszaru wejściowego.
D. Włóż 8 kabli głośnikowych (jak widać na poniższym zdjęciu)
2. Przykręć pudełko na miejsce, Załóż płytę czołową ABS.

Related product manuals