EasyManua.ls Logo

Power Dynamics POWERLINE Series - Instrukcja Instalacji

Power Dynamics POWERLINE Series
16 pages
To Next Page IconTo Next Page
To Next Page IconTo Next Page
To Previous Page IconTo Previous Page
To Previous Page IconTo Previous Page
Loading...
13
INSTRUKCJA ROZPAKOWYWANIA
OSTRZEŻENIE! Natychmiast po odbiorze urządzenia, ostrożnie otwórz karton ochronny, oraz sprawdź zawartość i stan
techniczny przedmiotu. Niezwłocznie powiadom kuriera oraz zachowaj opakowanie zewnętrzne do kontroli, jeśli jakikolwiek
element zawartości wygląda na zniszczony w transporcie lub nosi objawy złego traktowania paczki. W takim wypadku należy
niezwłocznie odesłać sprzęt do producenta. Sprzęt należy wysłać w oryginalnym opakowaniu.
Jeśli urządzenie było wystawione na działanie niskich temperatur (np. podczas transportu), nie uruchamiaj go od razu.
Powstające zjawisko kondensacji widy może uszkodzić urządzenie. Pozostaw urządzenie wyłączone, dopóki nie osiągnie
temperatury pokojowej.
ZASILANIE
Na naklejce z tyłu urządzenia znajduje się oznaczenie dotyczące rodzaju zasilania. Sprawdź, czy napięcie w gniazdku zgadza
się z wymaganym przez producenta. Złe napięcie może spowodować nienaprawialne uszkodzenie urządzenia.
Zawsze podłączaj urządzenie do zabezpieczonego obwodu elektrycznego (za pomocą bezpiecznika lub wyłącznika
instalacyjnego). Upewnij się, że urządzenie jest uziemione, aby uniknąć pożaru lub śmiertelnego porażenia prądem.
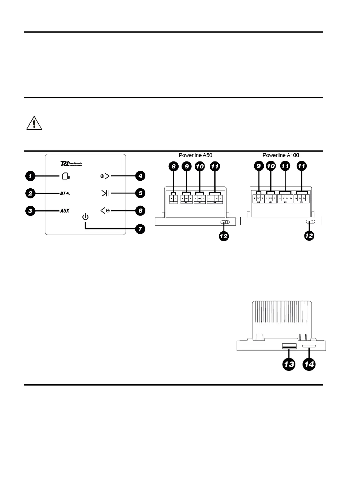
WYGLĄD
1. 1. Odtwarzaj muzykę z karty TF / SD lub pendrive'a
Format audio: obsługuje MP3, WAV, APE i inne formaty audio.
2. Funkcja BT
Obsługa parowania telefonów komórkowych i innych zewnętrznych urządzeń BT w celu uzyskania odtwarzania
dźwięku.
3. Wejście AUX 3,5 mm jack
Obsługa zewnętrznego źródła dźwięku do tego urządzenia.
4. Krótkie naciśnięcie powoduje przejście do następnego utworu / Długie naciśnięcie zwiększa głośność
5. Odtwórz / wstrzymaj
6. Krótkie naciśnięcie do poprzedniego utworu / Krótkie naciśnięcie w celu
zmniejszenia głośności
7. Przycisk czuwania
8. Połączenie 100-240 V AC (faza, zero)
9. Wyjście liniowe (sygnał prawy, masa, lewy)
10. Wejście Aux (sygnał prawy, masa, lewy)
11. Podłączenie głośników
12. Włączanie / wyłączanie przełącznika
13. Pendrive
Funkcja pamięci flash USB, maksymalna obsługa 32 GB.
14. Karta TF / SD
Funkcja przechowywania kart pamięci, maksymalna obsługa 32 GB.
INSTRUKCJA INSTALACJI
1. Zamontuj dostarczoną skrzynkę tylną w ścianie.
2. Dokręć wspornik za pomocą śruby wspornika na tylnej puszce. (Jak pokazano na rysunku 1)
3. Umieść wzmacniacz ścienny w tylnej puszce. Trzymaj go około 10 mm przed tylną skrzynką i trzymaj jak najwyżej. Dociśnij
wzmacniacz ścienny do tylnej obudowy i przesuń go w dół. (Jak pokazano na rysunku 2)

Related product manuals