EasyManua.ls Logo

PowerLand Generator - Wiring Diagram

PowerLand Generator
31 pages
Print Icon
To Next Page IconTo Next Page
To Next Page IconTo Next Page
To Previous Page IconTo Previous Page
To Previous Page IconTo Previous Page
Loading...
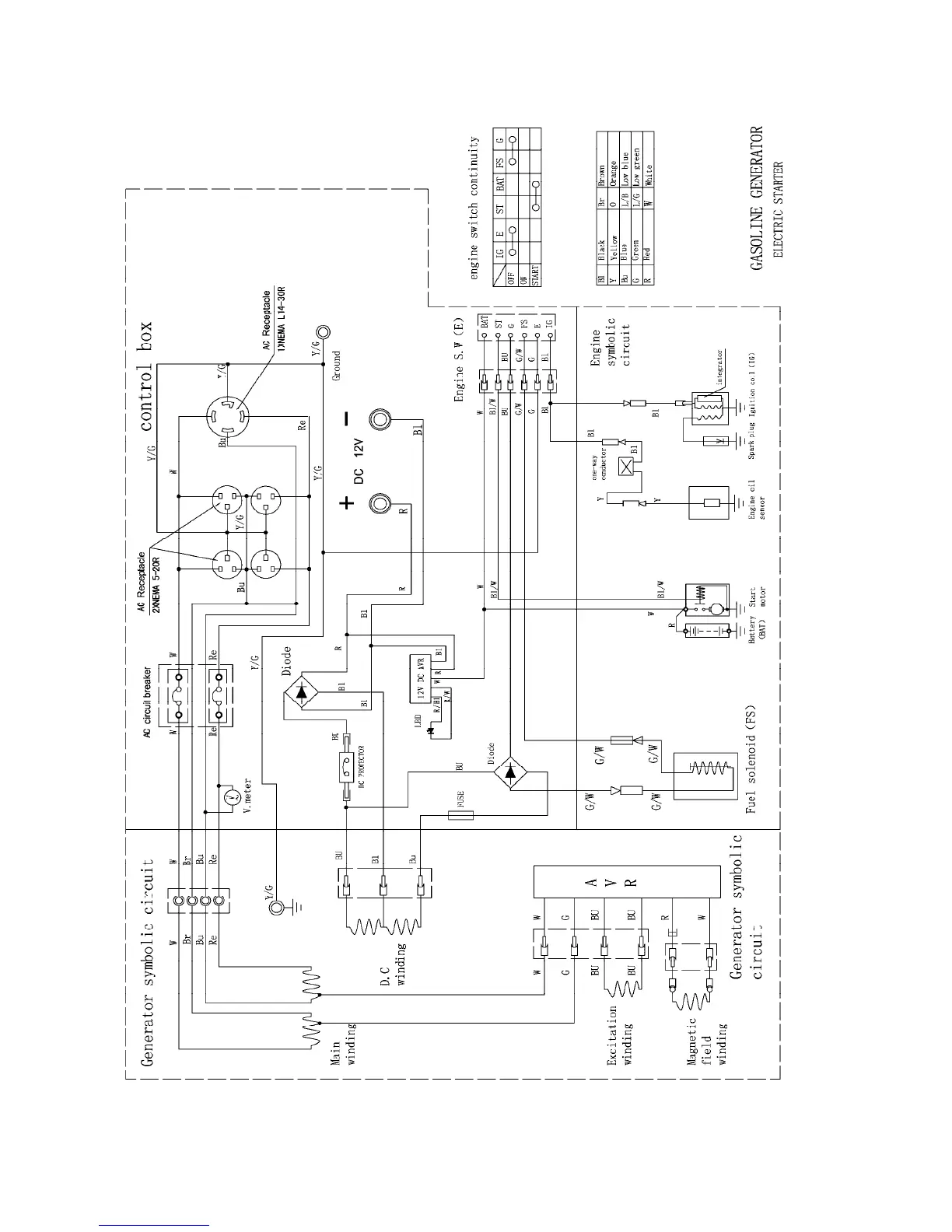
WIRING DIAGRAM

Related product manuals