EasyManua.ls Logo

PowerPro Technology 8750E - Wiring Diagram

PowerPro Technology 8750E
38 pages
Print Icon
To Next Page IconTo Next Page
To Next Page IconTo Next Page
To Previous Page IconTo Previous Page
To Previous Page IconTo Previous Page
Loading...
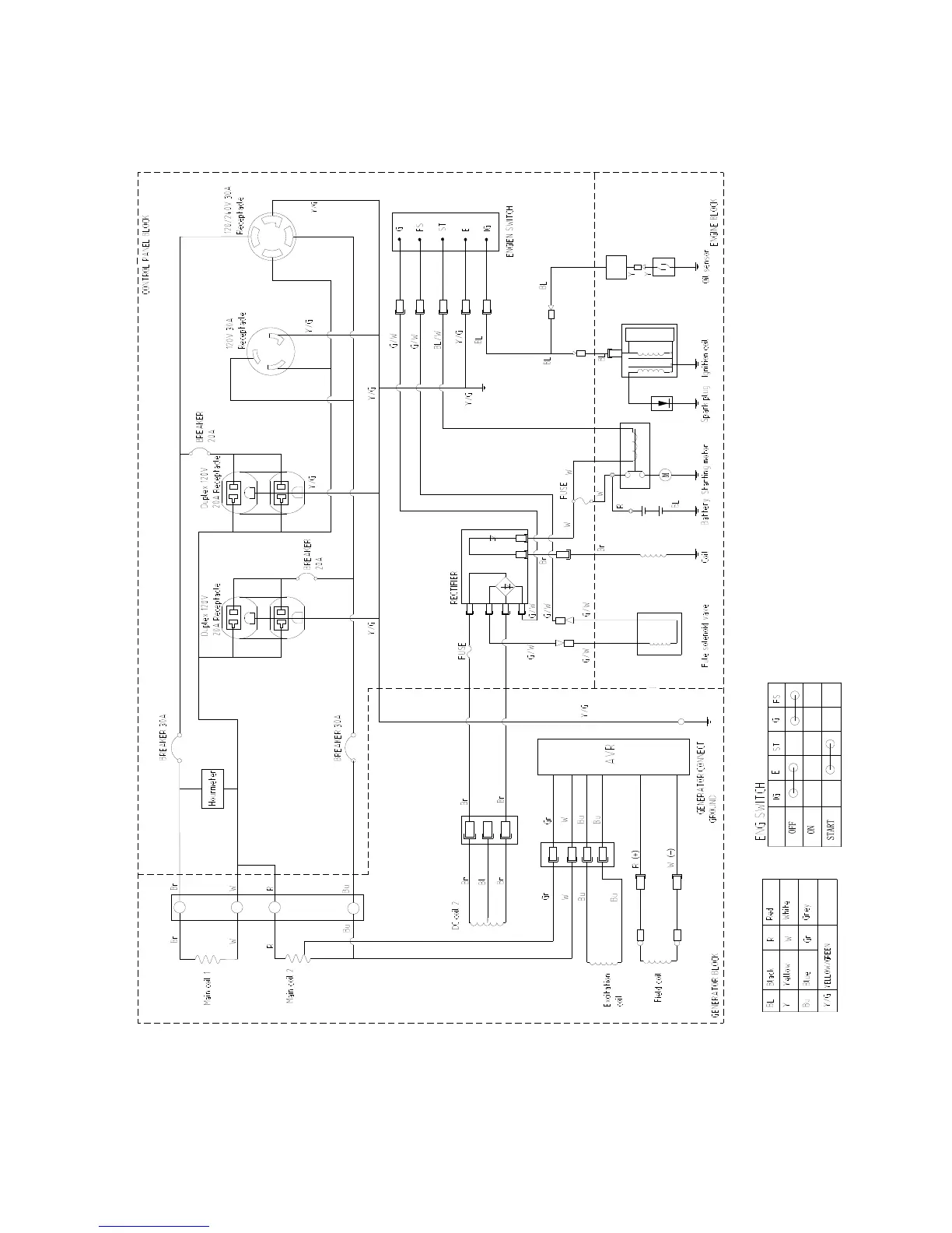
WIRING DIAGRAM
33