EasyManua.ls Logo

Powersmart DB8621S - Vue Éclatée & Liste des Pièces

Powersmart DB8621S
75 pages
Print Icon
To Next Page IconTo Next Page
To Next Page IconTo Next Page
To Previous Page IconTo Previous Page
To Previous Page IconTo Previous Page
Loading...
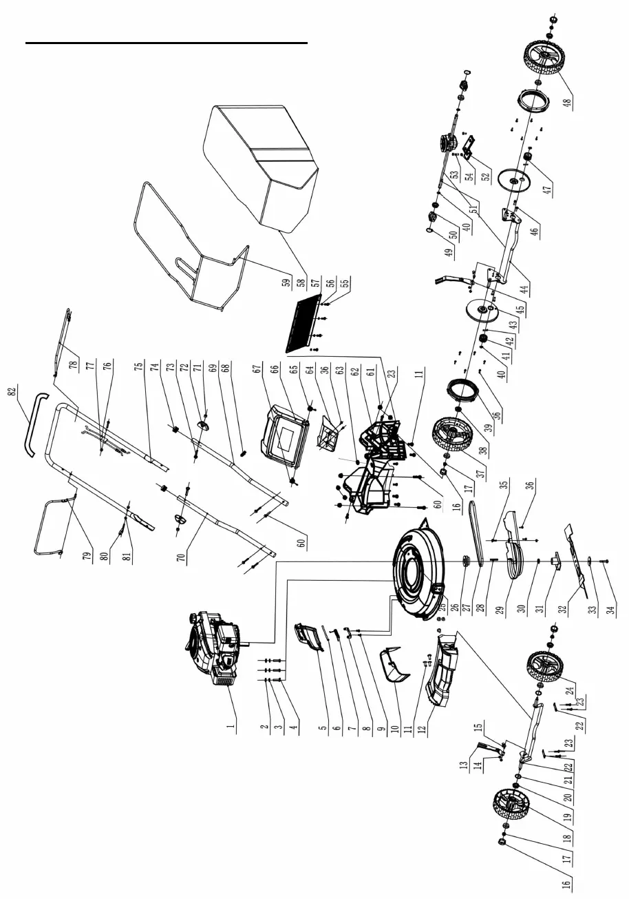
EXPLODED VIEW AND PARTS LIST
45

Related product manuals