EasyManua.ls Logo

Powersmart DB8621S - Page 47

Powersmart DB8621S
75 pages
Print Icon
To Next Page IconTo Next Page
To Next Page IconTo Next Page
To Previous Page IconTo Previous Page
To Previous Page IconTo Previous Page
Loading...
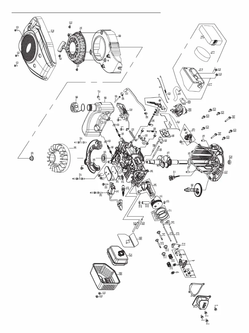
ENGINE EXPLODED VIEW AND PARTS LIST
47