EasyManua.ls Logo

Powersmart MB5040A - Page 33

Powersmart MB5040A
36 pages
Print Icon
To Next Page IconTo Next Page
To Next Page IconTo Next Page
To Previous Page IconTo Previous Page
To Previous Page IconTo Previous Page
Loading...
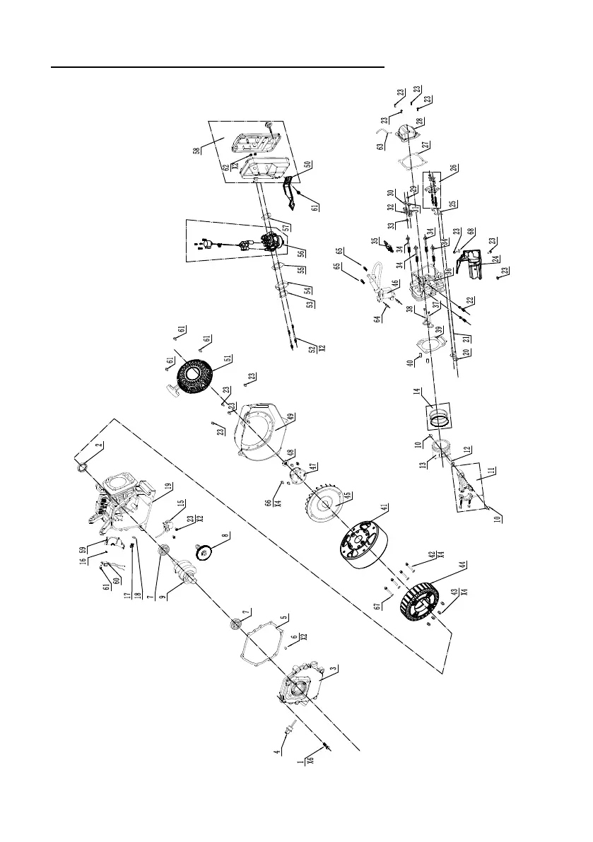
EXPLODED VIEW & PARTS LIST(ENGINE)
33

Related product manuals