EasyManua.ls Logo

PPG wave 2.2 - Page 5

Default Icon
38 pages
Print Icon
To Next Page IconTo Next Page
To Next Page IconTo Next Page
To Previous Page IconTo Previous Page
To Previous Page IconTo Previous Page
Loading...
p
C3
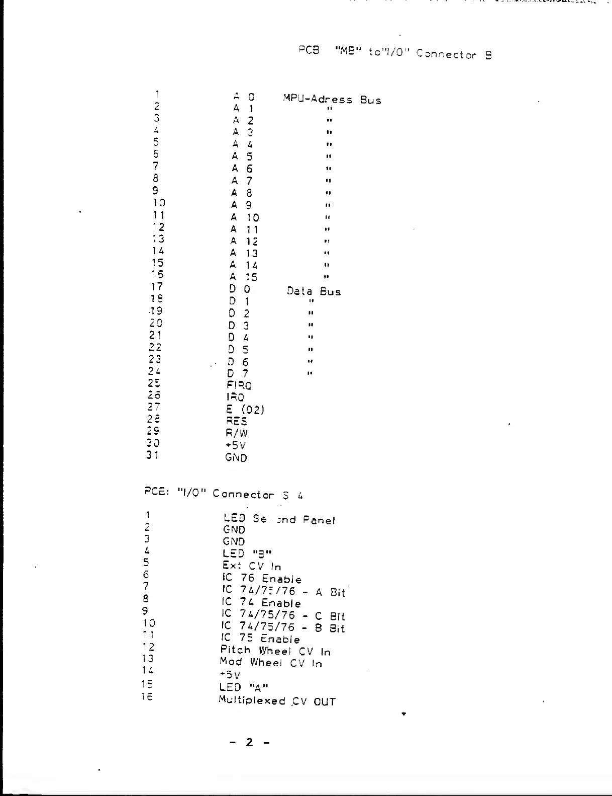
"MB"
to"!/0"
1
A
0
MPU-Adress
2
A
1
II
3
A
2
ll
4
A
3
II
5
A
4
II
6
A
5
M
7
A
6
II
8
A
7
M
9
A
8
II
10
A
9
II
1
1
A
10
II
12
A
1
1
II
13
A
1
2
II
1
4
A
13
II
15
A
14
II
16
A
15
II
17
D
0
Data
Bus
1
8
D
1
•19
D
2
ii
20
D
3
it
21
D
4
I
22
D
5
I
23
..
D
6
•i
24
D
7
n
23
FRO
2c
IRQ
2
7
£_(02)
23
RES
29
R/W
30
5
V
31
GND
PCE:
"I/O"
Connector
S
4
1
LED
Se.
r
nd
Panel
2
GND
3
GND
4
LED
"B"
5
Ext
CV
In
0
iC
76
Enable
;
'C
74/7:/76
-
A
Bit'
°
IC
74
Enable
*
,(
=
74/75/76
-
C
Bit
0
IC
74/75/76
-
B
Bit
1
IC
75
Enable
]l
p
itch
Wheel
CV
In
;
J
Mod
Wheel
CV
In
U
V
15
LED
"A"
16
Multiplexed
.CV
OUT
-onnector
2