EasyManua.ls Logo

PPG wave 2.2 - Page 4

Default Icon
38 pages
Print Icon
To Next Page IconTo Next Page
To Next Page IconTo Next Page
To Previous Page IconTo Previous Page
To Previous Page IconTo Previous Page
Loading...
o
)
01
UI
i
«•>
K>
-•
<i>
m
-J
(Ti
cn
I-
1.‘
10
0
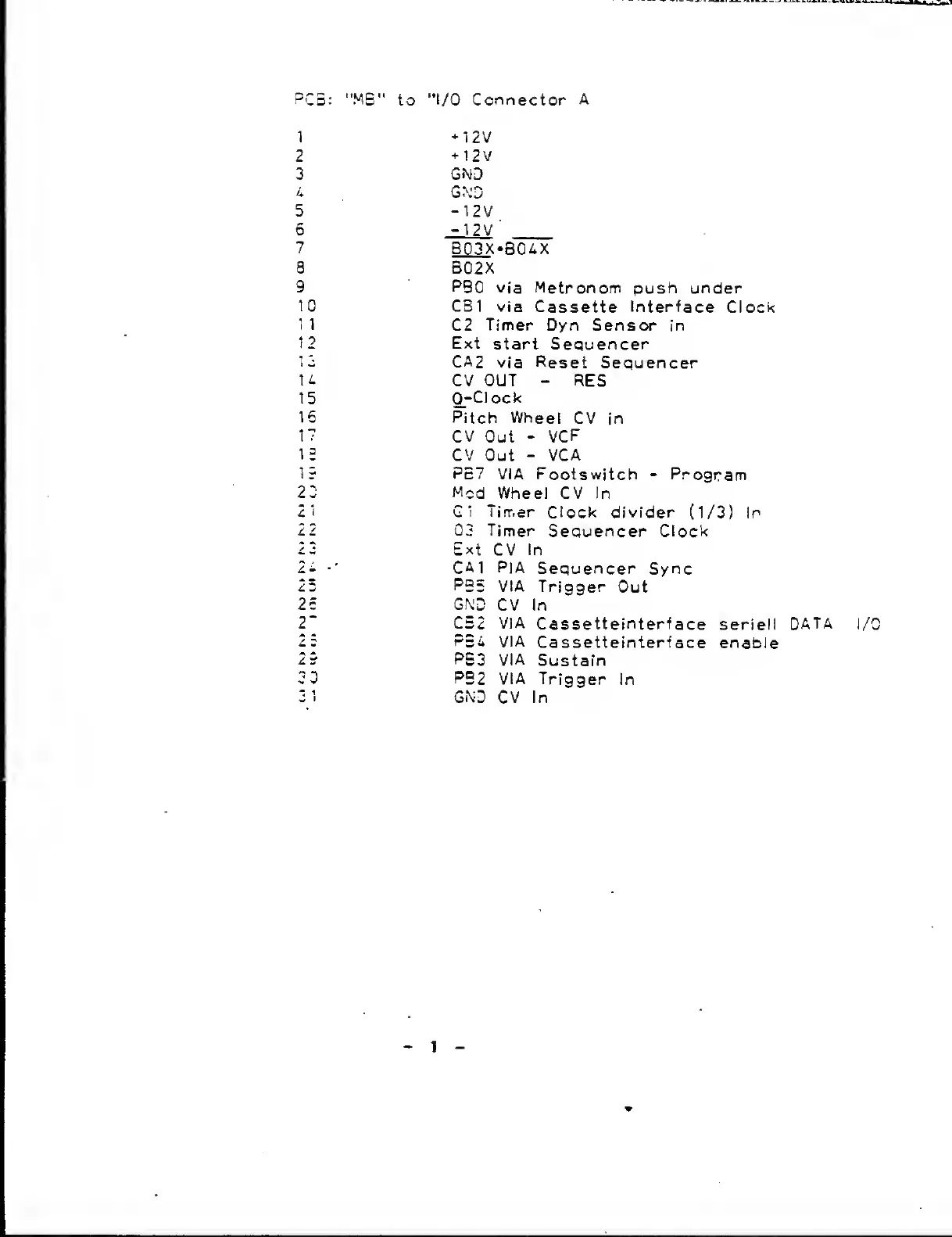
PCS:
"MB"
to
"I/O
Connector
A
1
-
1
2
V
12V
GND
G\D
-12V
-12V
_
B03X*B0AX
B02X
PBO
via
Metronom
push
under
CB1
via
Cassette
Interface
Clock
C2
Timer
Dyn
Sensor
in
Ext
start
Sequencer
CA2
via
Reset
Sequencer
CV
OUT
-
RES
Q_-Ci
ock
Pitch
Wheel
CV
in
CV
Out
-
VCF
CV
Out
-
VCA
PE7
VIA
Footswitch
-
Program
Med
Wheel
CV
In
Cl
Timer
Clock
divider
(1/3)
In
02
Timer
Sequencer
Clock
Ext
CV
In
CA1
PIA
Sequencer
Sync
P05
VIA
Trigger
Out
GND
CV
In
C52
VIA
Cassetteinterface
seriell
DATA
I/O
PB4
VIA
Cassetteinterface
enable
PS3
VIA
Sustain
PE2
VIA
Trigger
In
GMD
CV
In
1