EasyManua.ls Logo

Pramac E3100 - A.C. Wiring Schematic

Pramac E3100
15 pages
Print Icon
To Next Page IconTo Next Page
To Next Page IconTo Next Page
To Previous Page IconTo Previous Page
To Previous Page IconTo Previous Page
Loading...
14
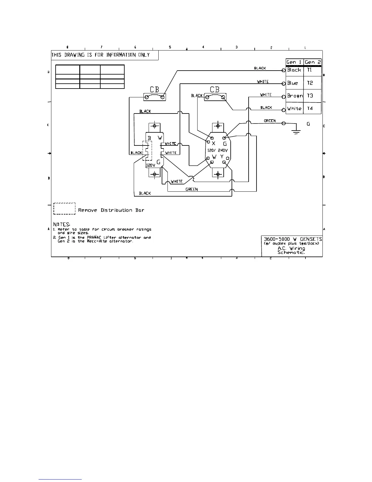
A.C. WIRING SCHEMATIC
Model CB
Rating
AWG
Rating
E3600 15A 12AWG
E4500 20A 12AWG
E5000 20A 12AWG

Related product manuals