EasyManua.ls Logo

Pramac S12000 - Generator Parts Lists; S3100 Generator Parts Lists

Pramac S12000
66 pages
Print Icon
To Next Page IconTo Next Page
To Next Page IconTo Next Page
To Previous Page IconTo Previous Page
To Previous Page IconTo Previous Page
Loading...
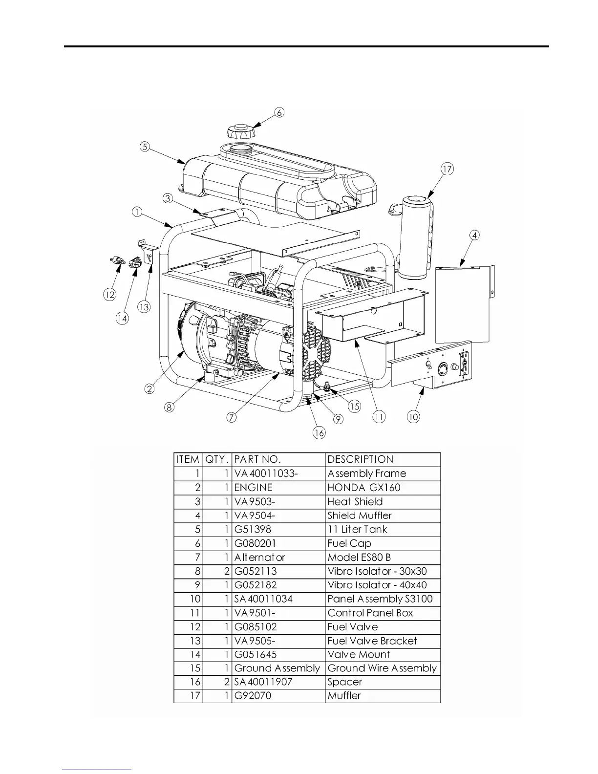
S3100 GENERATOR PARTS
19
GENERATOR PARTS LISTS
S3100 GENERATOR PART LISTS

Table of Contents

Related product manuals