EasyManua.ls Logo

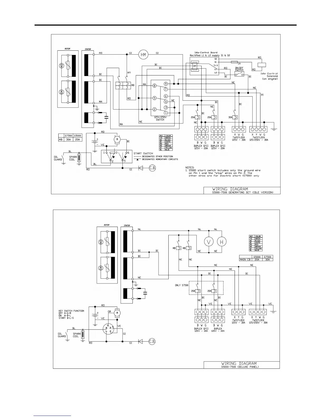
Pramac S12000 - Wiring Diagram S5000-7500 Generating Set (Idle Version); Wiring Diagram S5000-7500 (Deluxe Panel)

Pramac S12000
66 pages
Print Icon
To Next Page IconTo Next Page
To Next Page IconTo Next Page
To Previous Page IconTo Previous Page
To Previous Page IconTo Previous Page
Loading...
Schematics
35

Table of Contents

Related product manuals