EasyManua.ls Logo

Praxair SELECT-400 - Page 24

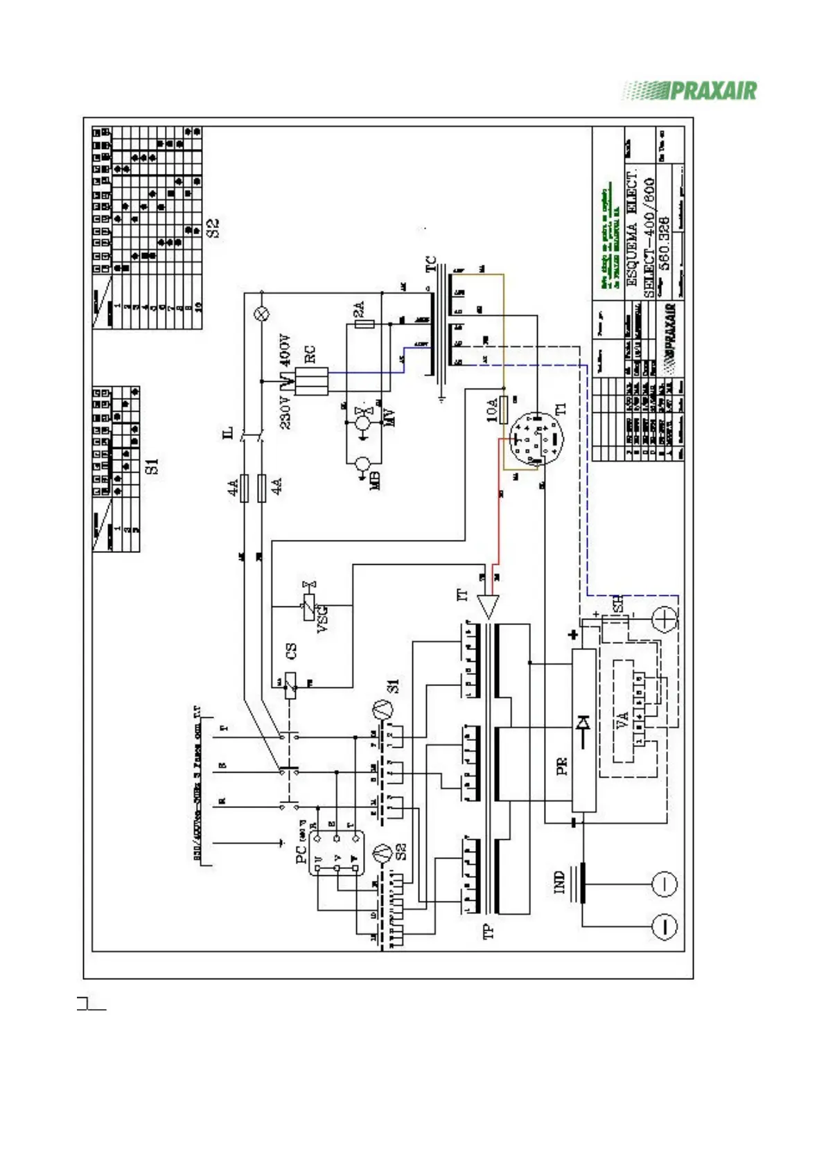
Praxair SELECT-400
Print Icon
To Next Page IconTo Next Page
To Next Page IconTo Next Page
To Previous Page IconTo Previous Page
To Previous Page IconTo Previous Page
Loading...

Related product manuals