EasyManua.ls Logo

Pride MILLE - Page 7

Pride MILLE
12 pages
Print Icon
To Next Page IconTo Next Page
To Next Page IconTo Next Page
To Previous Page IconTo Previous Page
To Previous Page IconTo Previous Page
Loading...
7
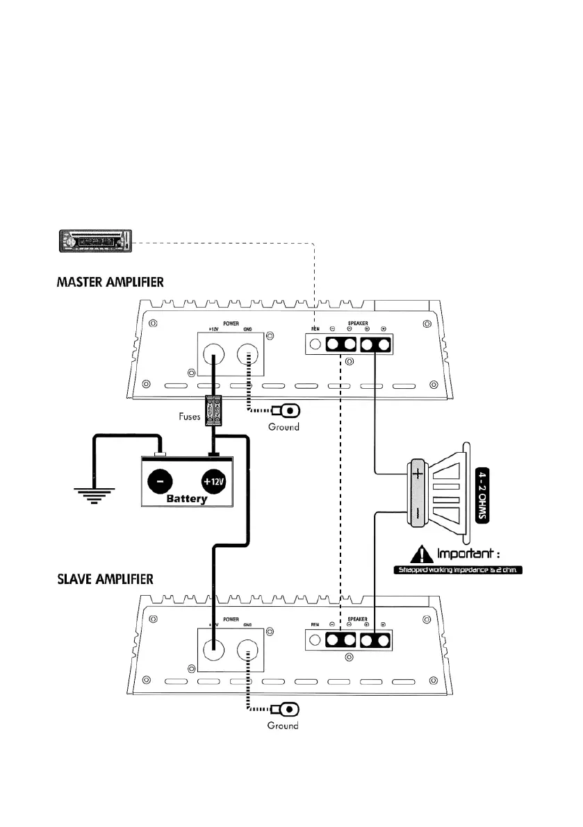
MASTER / SLAVE Strapped Output Connection
SPEAKER OUTPUT CONNECTION STEPS ;
Step 1. Connect speaker cable (+) on master amplier to subwoofer (+)
Step 2. Conned speaker cable (+) on slave amplier to subwoofer (-)
Step 3. Connect speaker cable (-) on master amplier to speaker cable (-) on slave amplier

Related product manuals