EasyManua.ls Logo

Primus RS35 - Page 11

Primus RS35
15 pages
Print Icon
To Next Page IconTo Next Page
To Next Page IconTo Next Page
To Previous Page IconTo Previous Page
To Previous Page IconTo Previous Page
Loading...
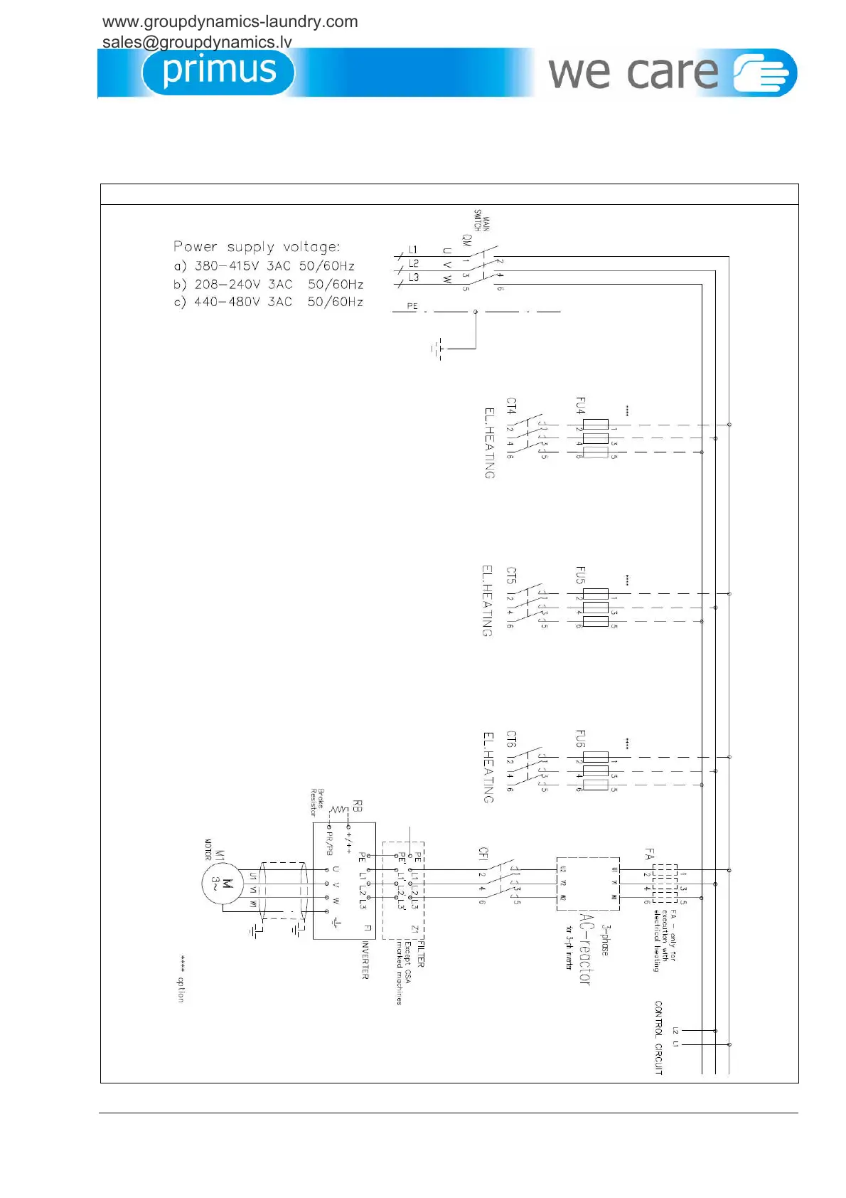
525928 Instruction AC-reactor FS16-55 RS27-35 P11/15
Make the electrical connection according the scheme and instructions below :
www.groupdynamics-laundry.com
sales@groupdynamics.lv

Related product manuals