EasyManua.ls Logo

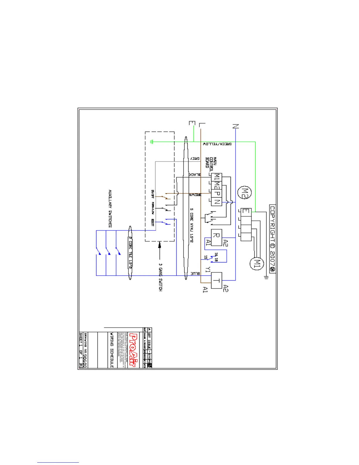
ProAir 600 - Electrical Information; Electrical Schematic and Wiring

Default Icon
19 pages
Print Icon
To Next Page IconTo Next Page
To Next Page IconTo Next Page
To Previous Page IconTo Previous Page
To Previous Page IconTo Previous Page
Loading...
18
Electrical schematic

Related product manuals