EasyManua.ls Logo

Procom QEB100 - Technical Information; Electrical Wiring Diagram; Replacement Parts Guidance

Procom QEB100
16 pages
Print Icon
To Next Page IconTo Next Page
To Next Page IconTo Next Page
To Previous Page IconTo Previous Page
To Previous Page IconTo Previous Page
Loading...
www.usaprocom.com
15200070-01E
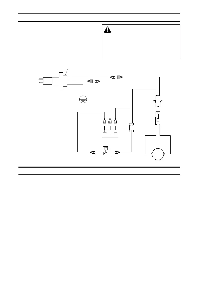
ELECTRICAL WIRING DIAGRAM
Any electrical re-wiring of this appliance must
be done by a qualied electrician. This wiring
must be done in accordance with local codes
and/or in Canada with the current CSA C22.1
Canadian Electrical Code, and for US instal-
lations, the National Electrical Code ANSI/
NFPA NO 70.
WARNING: If repairing or
replacing any electrical compo-
nent or wiring, the original wire
routing, color coding and secur-
ing locations must be followed.
Note: Use only original replacement parts. This will protect your warranty coverage for parts
replaced under warranty.
PARTS UNDER WARRANTY
Contact authorized dealers of this product. If they can’t supply original replacement parts, call
Customer Service toll free at 1-866-573-0674 for referral information.
When calling Customer Service or your dealer, have ready:
Your name
Your address
Model and serial number of your heater
How heater was malfunctioning
Type of gas used (Propane/LP or Natural gas/NG)
Purchase date
Usually, we will ask you to return the defective part to the factory
PARTS NOT UNDER WARRANTY
Contact authorized dealers of this product. If they can’t supply original replacement part(s)
call Customer Service toll free at 1-866-573-0674 for referral information.
When calling Customer Service have ready:
Model number of your heater
The replacement part number
REPLACEMENT PARTS
Blower
BLACK
WHITE
GREEN
BLACK
RED
~120V
60Hz
Bushing
Strain Relief
Power
Cord
Rocker Switch
Temperature Sensor
AUTO OFF MAN