EasyManua.ls Logo

ProKlima GPC12AJ - Page 47

ProKlima GPC12AJ
384 pages
Go to English
Print Icon
To Next Page IconTo Next Page
To Next Page IconTo Next Page
To Previous Page IconTo Previous Page
To Previous Page IconTo Previous Page
Loading...
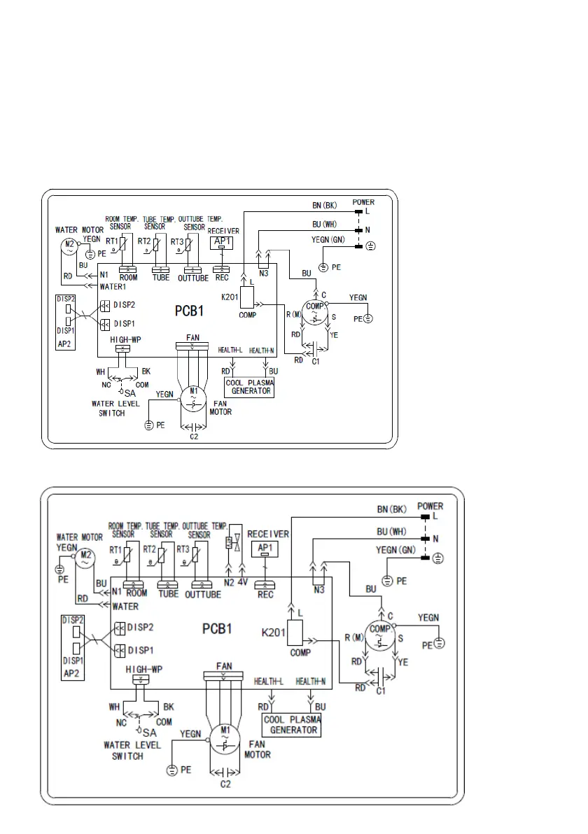
Elektrischer Schaltplan
Die oben abgebildeten Schaltpläne dienen nur zu Informationszwecken,
Änderungen sind vorbehalten.
GPC12AJ
GPH12AJ
45

Related product manuals