EasyManua.ls Logo

Pronto CA1E - Wiring Diagram

Default Icon
20 pages
Print Icon
To Previous Page IconTo Previous Page
To Previous Page IconTo Previous Page
Loading...
18
EXPORT
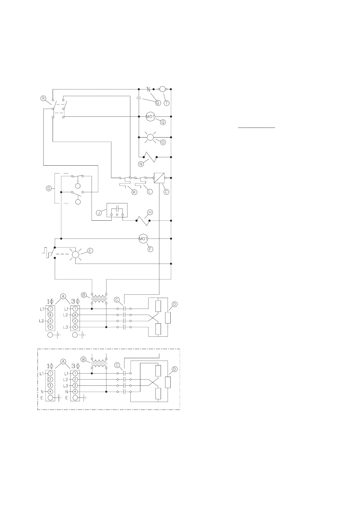
1
Pronto - Wiring Diagram
ITEM
NO. PART NO. DESCRIPTION QTY.
A P50003 TERMINAL BLOCK 1
B
TRANSFORMERS
KE53838-14 208-240/120V 1
KE53838-15 220/415V
KE53838-16 480V
KE53838-17 600V
C KE50750-6 CONTACTOR 1
D
(see ELECTRICAL
ELEMENTS 3
COMPONENTS)
E P077078-1 POWER SWITCH 1
F P076008-3 MOTORIZED DRAIN VALVE 1
G P2093400 SWITCH, FLOAT ASSEMBLY 1
H KE54834-15 FILL SOLENOID 1
J P14782 TIME DELAY 1
K KE55069-1 THERMOSTAT 1
L KE55069-4 SAFETY THERMOSTAT 1
N KE54834-15 CHILL SOLENOID 1
O F01296-2 PILOT LIGHT, GREEN 1
Q P1478200 ELECTRONIC TIMER 1
Q1 TIMER CONTACTS 1
R P03054-1 COOK SWITCH 1
T PR50015 BUZZER 1

Related product manuals