EasyManua.ls Logo

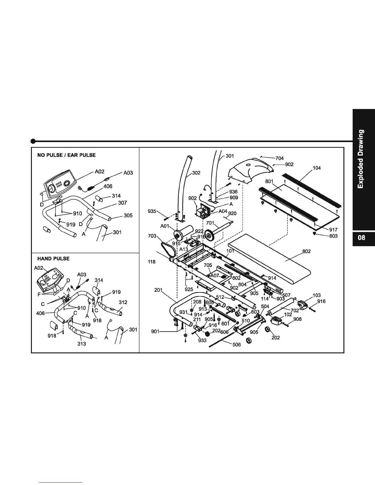
Proteus MTM-5600 - Exploded Drawing

Proteus MTM-5600
24 pages
Print Icon
To Next Page IconTo Next Page
To Next Page IconTo Next Page
To Previous Page IconTo Previous Page
To Previous Page IconTo Previous Page
Loading...

Related product manuals