EasyManua.ls Logo

PSG PSG-3000 - WIRING DIAGRAM FOR PSG;UH - 4500

PSG PSG-3000
42 pages
Print Icon
To Next Page IconTo Next Page
To Next Page IconTo Next Page
To Previous Page IconTo Previous Page
To Previous Page IconTo Previous Page
Loading...
40
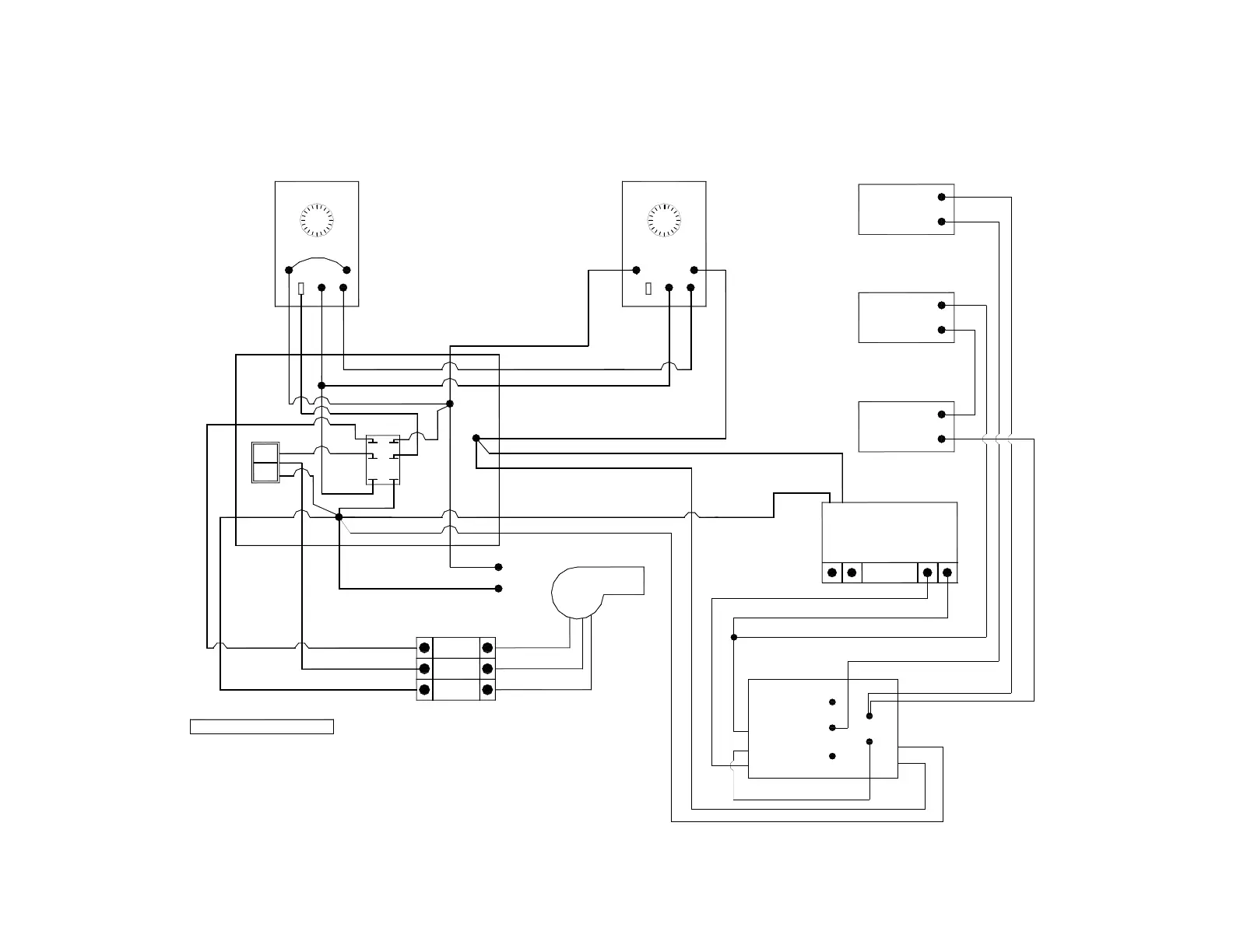
WIRING DIAGRAM FOR PSG/UH – 4500
(The location of the wood limit is on the plenum and the location of the oil limit is on the front panel)
R
BROWN
OIL
THERMOSTAT
LIMIT
LOAD
ON 100°F
OFF 100°F
LIMIT 250°F
FAN
LINE
HONEYWELL
L6064
LIMIT 250°F
LOAD
ON 150°F
OFF 110°F
LIMIT
LINE
FAN
HONEYWELL
L6064
SERVO
MOTOR
WOOD
THERMOSTAT
BURNER
RELAY
FF TT
LINEHIGH
RED
WHITE
BLUE
LOW
WHITE
120 VOLT
60 HERTZ
BLACK
2 SPEED
MOTOR
BLOWER
FAN
RELAY
13
24
5
6
90-382
HIGH LINELOW
BLACK
SUMMER
SWITCH
WHITE
1
2
3
LOW
BLACK
WHITE
REVISION NOVEMBER 4TH 2008
JUNCTION
BOX
WHITE
BLACK
NOTE:ALL WIRES ON OIL
LIMIT ARE TWE 105° 600V
14AWG TYPE
TERMINAL
COMMUN
HIGH
OIL WOOD
WHITE
BLACK
RED
BLACK
INTERLOCK
G
Y
W
C

Related product manuals