EasyManua.ls Logo

Pubert LIMBA 6 - Page 20

Default Icon
Print Icon
To Next Page IconTo Next Page
To Next Page IconTo Next Page
To Previous Page IconTo Previous Page
To Previous Page IconTo Previous Page
Loading...
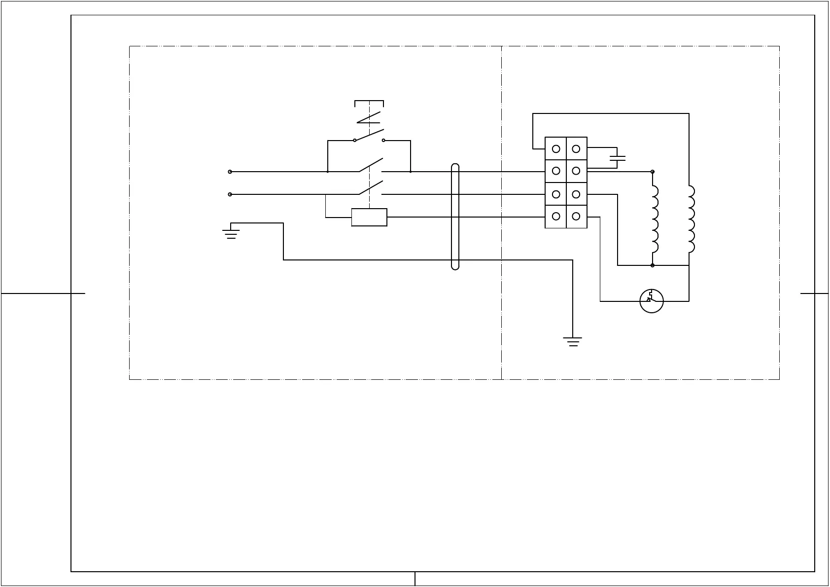
230V/50Hz
230V50Hz
YEE LLO W-GR EEH
Switch part
Motor part
Wiring row
Electrical wiring diagram.
Thermal protector