EasyManua.ls Logo

Pubert LIMBA 6 - Page 21

Default Icon
Print Icon
To Next Page IconTo Next Page
To Next Page IconTo Next Page
To Previous Page IconTo Previous Page
To Previous Page IconTo Previous Page
Loading...
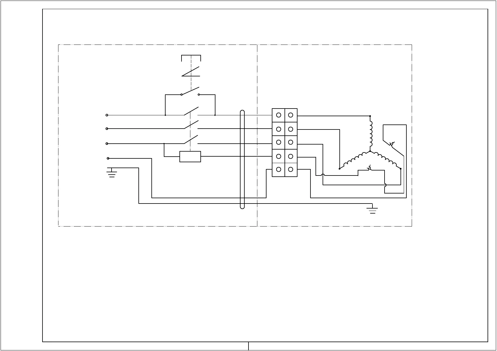
400V50Hz
L1
L2
L3
0
1
YE E LLO W -GREE H
N
230V5 0Hz
θ
θ
Electrical wiring diagram.
Switch part
Motor part
Wiring row
Brown
Brown
Black
Black
Grey
Grey
Blue
Blue
Blue
Blue