EasyManua.ls Logo

Punktal MFA 604 - Page 18

Punktal MFA 604
36 pages
Print Icon
To Next Page IconTo Next Page
To Next Page IconTo Next Page
To Previous Page IconTo Previous Page
To Previous Page IconTo Previous Page
Loading...
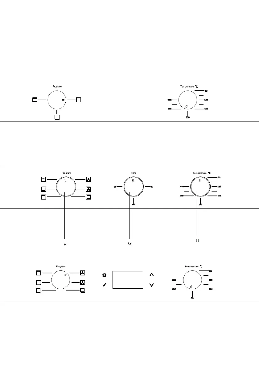
F PROGRAMS
GTIMER MECHANIC
HTHERMOSTAT
ELECTRIC BUILT-IN OVEN CONTROL PANEL

Related product manuals