EasyManua.ls Logo

Quadra-Fire DV-40 - Page 20

Quadra-Fire DV-40
51 pages
Print Icon
To Next Page IconTo Next Page
To Next Page IconTo Next Page
To Previous Page IconTo Previous Page
To Previous Page IconTo Previous Page
Loading...
Page 20
HORIZONTAL INSTALLATION (CONT.)
Step 4. Position the horizontal vent termination in the center of the 10 (254mm) square hole, and attach
to the exterior wall with the four wood screws provided. Before attaching the Vent Termination to
the exterior wall, run a bead of non-hardening mastic around its outside edges, so as to make a
seal between it and the wall. The arrow on the vent cap should be pointing up. Insure that proper
clearances to combustible materials are maintained (Figure 7).
NOTE:
(1) The four wood screws provided should be replaced with appropriate fasteners to stucco, brick,
concrete, or other types of sidings.
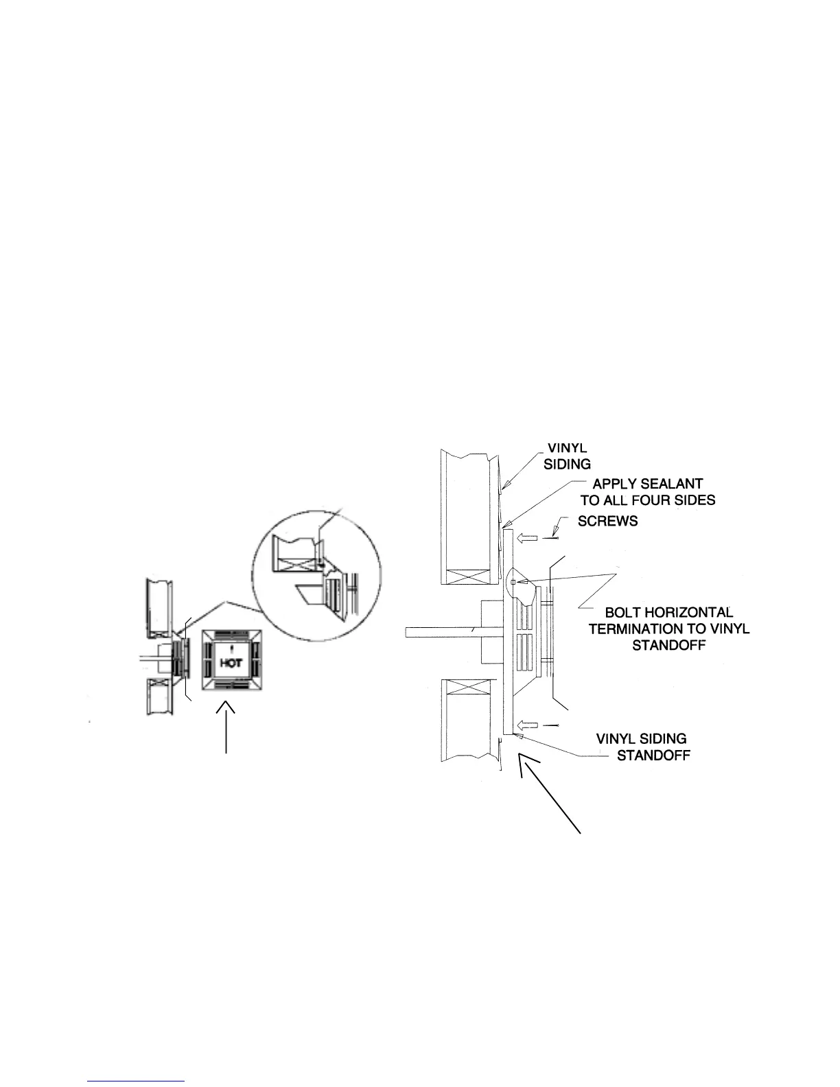
(2) For buildings with vinyl siding, a vinyl siding standoff (Simpson Dura-Vent part 950), should be
installed between the vent cap and the exterior wall (Figure 8). Attach the vinyl siding standoff to
the horizontal vent termination. Remove vinyl siding under termination cap. The vinyl siding
standoff prevents excessive heat from possibly melting the vinyl siding material. Vent terminal
shall not be recessed into a wall or siding.
FIG. 8
Remove siding from
beneath Standoff
Part #985
or HHW2
WOOD
SCREW
FIG. 7

Related product manuals