EasyManua.ls Logo

Quadra-Fire DV-40 - Vertical Terminations

Quadra-Fire DV-40
51 pages
Print Icon
To Next Page IconTo Next Page
To Next Page IconTo Next Page
To Previous Page IconTo Previous Page
To Previous Page IconTo Previous Page
Loading...
Page 22
VERTICAL TERMINATIONS
USING GS SERIES PIPE
Step 1. Check the installation instructions for required 2 inch clearances (air space) to combustibles
when passing through ceilings, walls, roofs, enclosures, attic rafters, or other nearby combustible
surfaces. (See page 24, FIG. 16) Do not pack air space with insulation. Check the instructions
below for maximum vertical rise of the venting system, and any maximum horizontal offset
limitations (Figure 11). All offsets fall within the set parameters of the vent graph located on page
15.
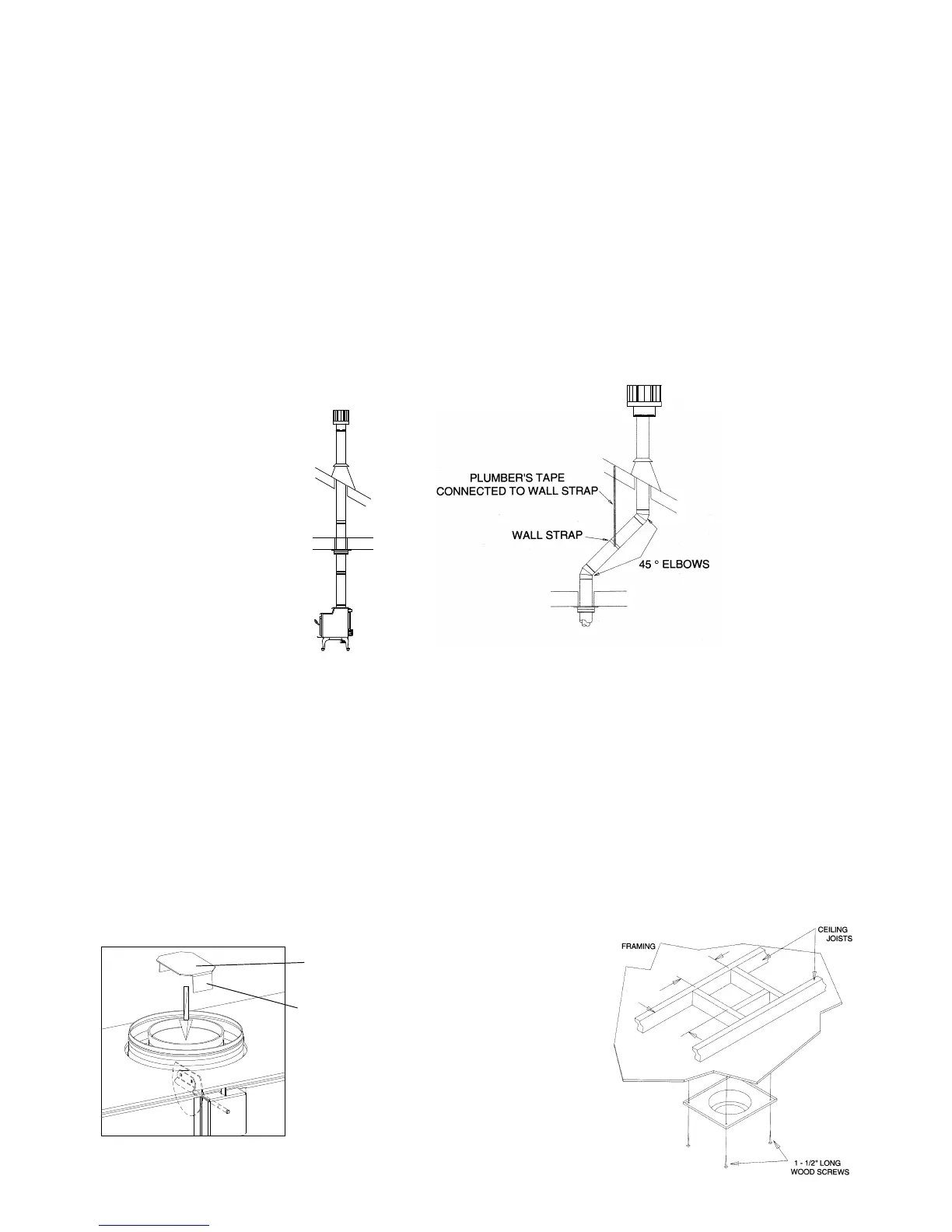
NOTE: Maximum vertical rise allowable is 30 (900 mm) (Figure 12). All vertical installations require the
installation of Restrictor strap found in the log box. See Figure A below.
FIG. 11
FIG. 12
FIG. 13
NOTE: Maximum number of 45 degree elbows permitted for a vertical installation is eight, provided their
Step 2. Set the gas stove in its desired location. Drop a plumb bob down from the ceiling to the position
of the stove flue exit, and mark the location where the vent will penetrate the ceiling. Drill a small
hole at this point. Next, drop a plumb bob from the roof to the hole previously drilled in the ceiling,
and mark the spot where the vent will penetrate the roof. Determine if ceiling joists, roof rafters,
or other framing will obstruct the venting system. You may wish to relocate the stove, or to offset,
as shown in Figure 12, to avoid cutting loadbearing members.
Step 3. To install the round support box/wall thimble in a flat ceiling, cut a 10 (254mm) square hole in the
ceiling, centered on the hole drilled in Step 2. Frame the hole as shown in Figure 13.
installation does not decrease maximum vertical rise (as specified by Vent graph, pg. 15).
FIG. A
Placement of Restrictor
Strap, Part #842-3330
NOTE: This plate rests on damper
shaft.

Related product manuals