EasyManua.ls Logo

QUAMAR Q13 - Page 105

Default Icon
Print Icon
To Next Page IconTo Next Page
To Next Page IconTo Next Page
To Previous Page IconTo Previous Page
To Previous Page IconTo Previous Page
Loading...
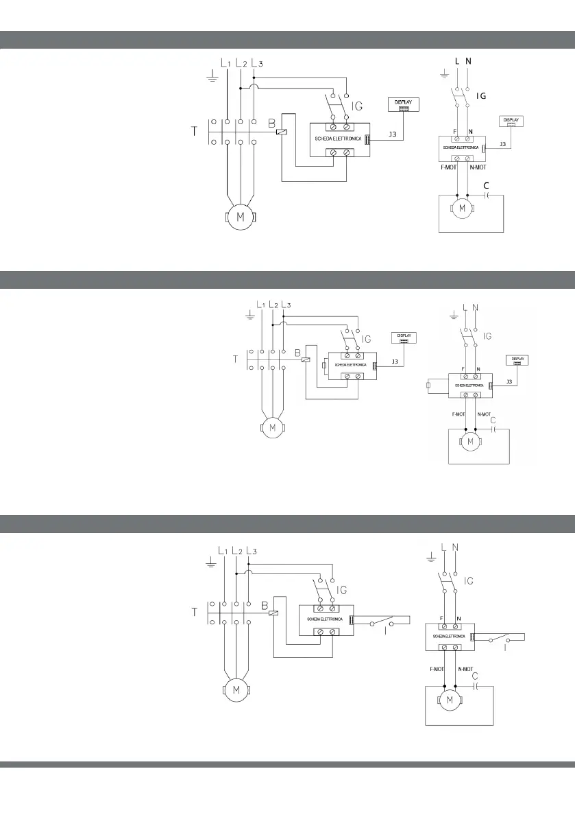
SCHEMA ELETTRICO/WIRING DIAGRAM
SCHEMA ELETTRICO/WIRING DIAGRAM
SCHEMA ELETTRICO/WIRING DIAGRAM
230V 50-60Hz
110V 50-60Hz
230V 50-60Hz
110V 50-60Hz
230V 50-60Hz
110V 50-60Hz
380V - 400V 3F
380V - 400V 3F
380V - 400V 3F
VERSIONE ELETTRONICO/
ELECTRONIC VERSION
A: INTERRUTTORE PER FUNZIONA-
MENTO IN AUTOMATICO/ SWITCH
FOR AUTOMATIC MODE
C: CONDENSATORE/ CONDENSER
IG: INTERRUTTORE GENERALE/
MAIN SWITCH
M: MOTORE MONOFASE CON
TERMICO INTERNO/ SINGLE PHASE
MOTOR WITH INTERNAL CIRCUIT
BREAKER
T: TELERUTTORE/ REMOTE SWITCH
B: BOBINA TELERUTTORE REMOTE
SWITCH COIL
VERSIONE ELETTRONICO F/
ELECTRONIC VERSION FUSE
A: INTERRUTTORE PER FUNZIONA-
MENTO IN AUTOMATICO/ SWITCH
FOR AUTOMATIC MODE
C: CONDENSATORE/ CONDENSER
IG: INTERRUTTORE GENERALE/
MAIN SWITCH
M: MOTORE MONOFASE CON
TERMICO INTERNO/ SINGLE PHASE
MOTOR WITH INTERNAL CIRCUIT
BREAKER
T: TELERUTTORE/ REMOTE SWITCH
B: BOBINA TELERUTTORE REMOTE
SWITCH COIL
VERSIONE TEMPORIZZATA/
TIMED VERSION
A: INTERRUTTORE PER FUNZIONA-
MENTO IN AUTOMATICO/ SWITCH
FOR AUTOMATIC MODE
C: CONDENSATORE/ CONDENSER
IG: INTERRUTTORE GENERALE/
MAIN SWITCH
M: MOTORE MONOFASE CON
TERMICO INTERNO/ SINGLE PHASE
MOTOR WITH INTERNAL CIRCUIT
BREAKER
T: TELERUTTORE/ REMOTE SWITCH
B: BOBINA TELERUTTORE REMOTE
SWITCH COIL
49

Related product manuals