EasyManua.ls Logo

QUAMAR Q13 - Wiring Diagrams

Default Icon
Print Icon
To Next Page IconTo Next Page
To Next Page IconTo Next Page
To Previous Page IconTo Previous Page
To Previous Page IconTo Previous Page
Loading...
48
SCHEMA ELETTRICO/WIRING DIAGRAM
SCHEMA ELETTRICO/WIRING DIAGRAM
SCHEMA ELETTRICO/WIRING DIAGRAM
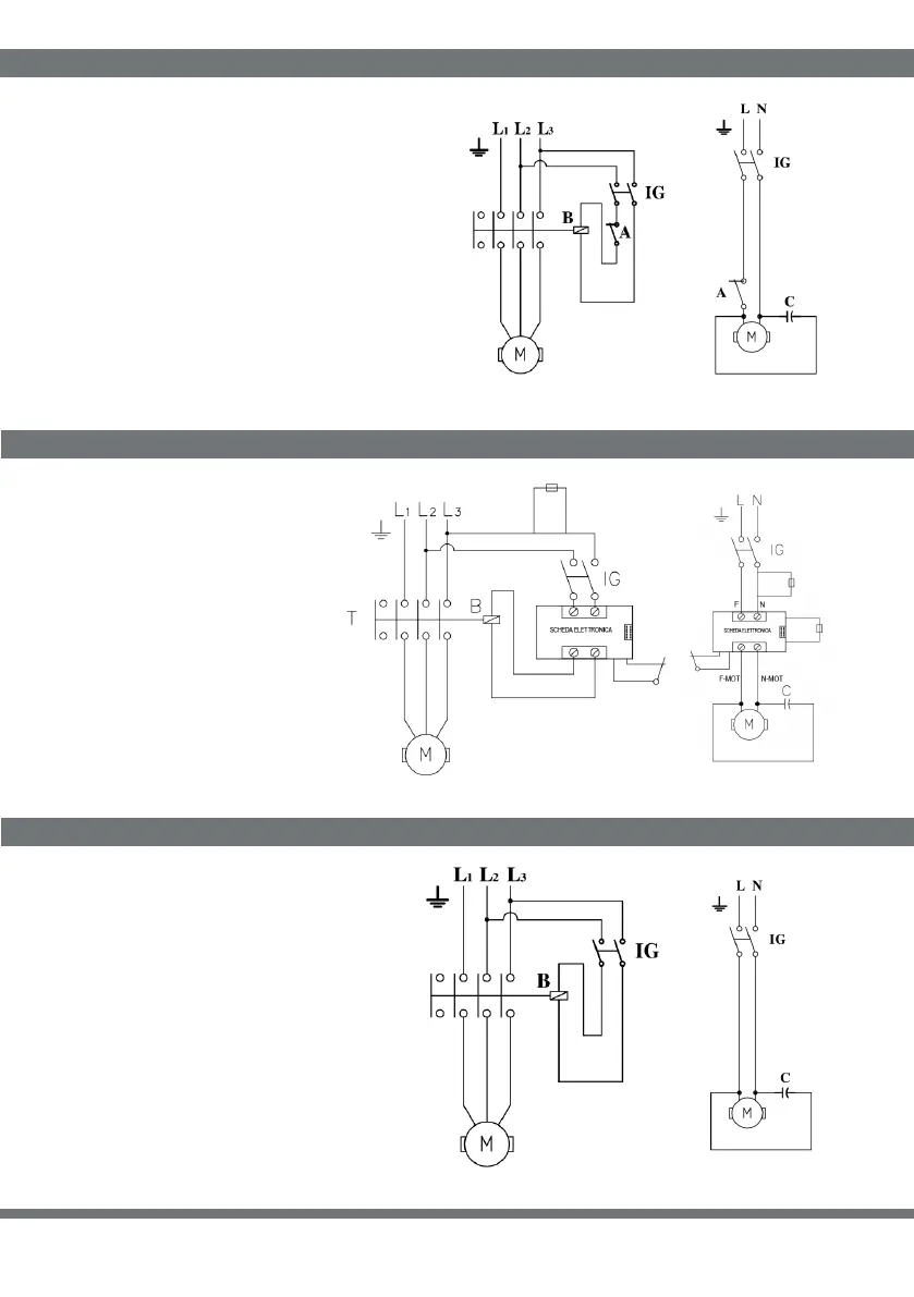
VERSIONE AUTOMATICO/
AUTOMATIC VERSION
A: INTERRUTTORE PER FUNZIONA-
MENTO IN AUTOMATICO/ SWITCH
FOR AUTOMATIC MODE
C: CONDENSATORE/ CONDENSER
IG: INTERRUTTORE GENERALE/ MAIN
SWITCH
M: MOTORE MONOFASE CON TERMI-
CO INTERNO/ SINGLE PHASE MOTOR
WITH INTERNAL CIRCUIT BREAKER
T: TELERUTTORE/ REMOTE SWITCH
B: BOBINA TELERUTTORE REMOTE
SWITCH COIL
T
T
230V 50-60Hz
110V 50-60Hz
230V 50-60Hz
110V 50-60Hz
230V 50-60Hz
110V 50-60Hz
380V - 400V 3F
380V - 400V 3F
380V - 400V 3F
VERSIONE AUTOMATICO 6
BATTUTE / 6-STOP AUTOMATIC
VERSION
A: INTERRUTTORE PER FUNZIONA-
MENTO IN AUTOMATICO/ SWITCH
FOR AUTOMATIC MODE
C: CONDENSATORE/ CONDENSER
IG: INTERRUTTORE GENERALE/ MAIN
SWITCH
M: MOTORE MONOFASE CON TERMI-
CO INTERNO/ SINGLE PHASE MOTOR
WITH INTERNAL CIRCUIT BREAKER
T: TELERUTTORE/ REMOTE SWITCH
B: BOBINA TELERUTTORE REMOTE
SWITCH COIL
VERSIONE DROGHERIA/
GROCERY VERSION
A: INTERRUTTORE PER FUNZIONA-
MENTO IN AUTOMATICO/ SWITCH
FOR AUTOMATIC MODE
C: CONDENSATORE/ CONDENSER
IG: INTERRUTTORE GENERALE/
MAIN SWITCH
M: MOTORE MONOFASE CON
TERMICO INTERNO/ SINGLE PHASE
MOTOR WITH INTERNAL CIRCUIT
BREAKER
T: TELERUTTORE/ REMOTE SWITCH
B: BOBINA TELERUTTORE REMOTE
SWITCH COIL

Related product manuals