EasyManua.ls Logo

Quick BTQ1404012 - Connection Diagram; Basic System Wiring

Quick BTQ1404012
Print Icon
To Next Page IconTo Next Page
To Next Page IconTo Next Page
To Previous Page IconTo Previous Page
To Previous Page IconTo Previous Page
Loading...
24
GB
BOW THRUSTER BTQ140 - BTQ185 IT GB - REV002C
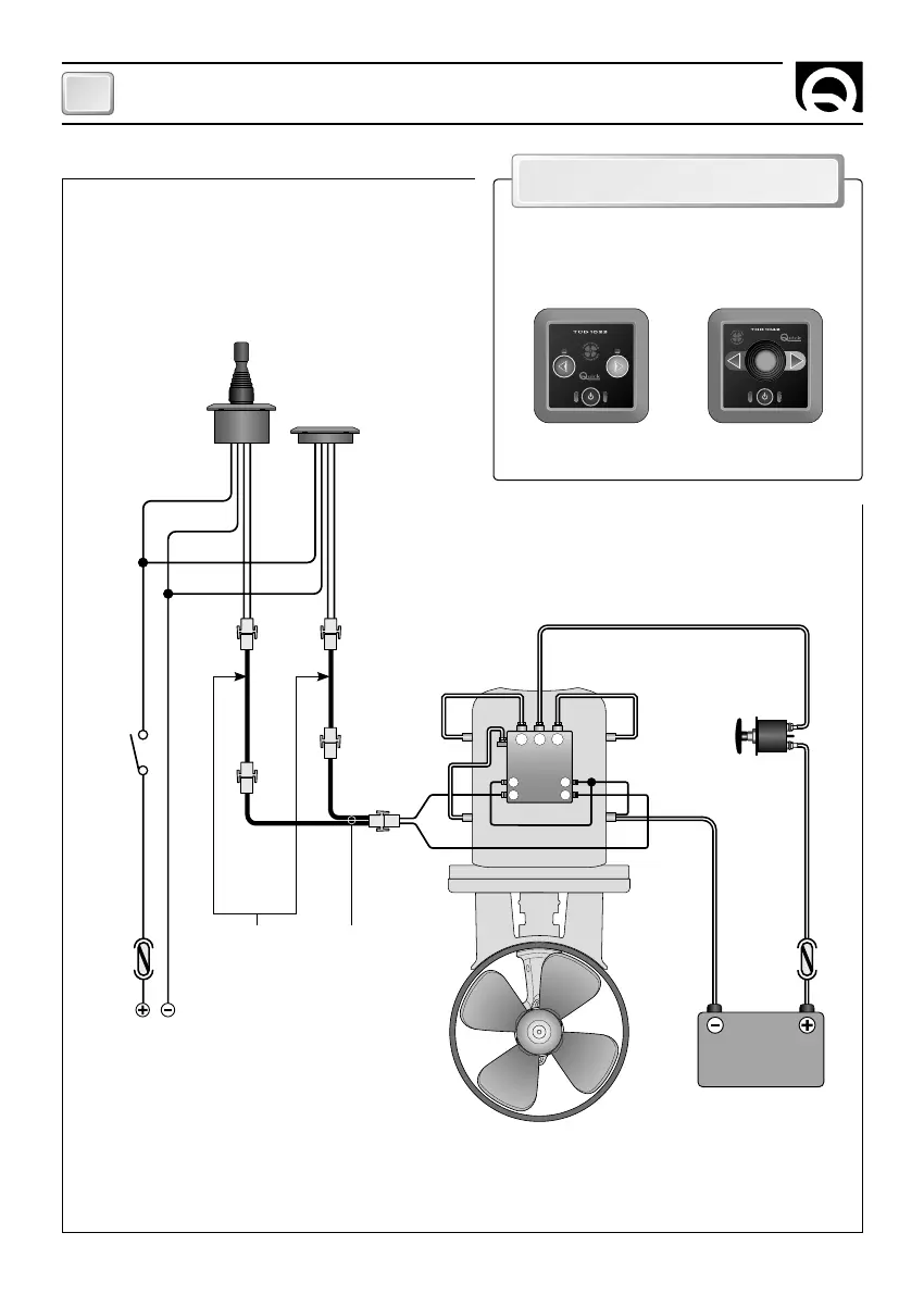
M1
AA
SS
SX
+
-
DX
-
M2
BASIC SYSTEM
BTQ14 - BTQ18
CONTROL PANEL
TCD 1022
MOTOR
BATTERY
12/24V
BATTERY ISOLATOR
BLACK
FUSE
4A FAST
QUICK
®
ACCESSORIES FOR ACTIVATION
OF THE BOW THRUSTER
CONTROL PANEL
TCD 1042
FUSE
see table
on page 18
SWITCH
RED
BLACK
RED
TO THE
SERVICES
BATTERY
TCD 1042 TCD 1022
SPLITTER
(OPTIONAL)
CONTROL CABLE
EXTENSIONS
(OPTIONALS)
*
*
*
COMMON NEGATIVE FOR THE BATTERY GROUPS.
BTQ14 - BTQ18
CONNECTION DIAGRAM

Other manuals for Quick BTQ1404012

Related product manuals