EasyManua.ls Logo

Rabbit P555SM - Wiring Diagram

Default Icon
24 pages
Print Icon
To Next Page IconTo Next Page
To Next Page IconTo Next Page
To Previous Page IconTo Previous Page
To Previous Page IconTo Previous Page
Loading...
20
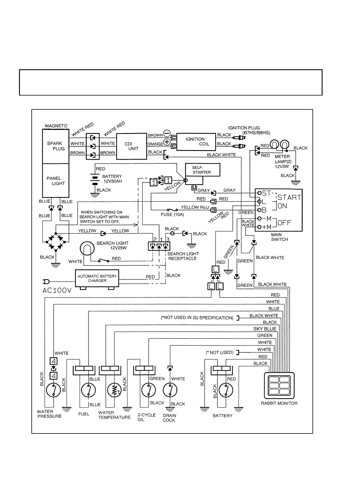
WIRING DIAGRAM
(S) WIRING DIAGRAM
Notes : 1. This pump is equipped the fuse, but pay attention to correct connection with (+) and (-) terminals of battery.
2. In connection with the battery, start with (+). In disconnection, start with (-) terminal.

Related product manuals