EasyManua.ls Logo

RADIOMETER TCM3 - Page 110

RADIOMETER TCM3
145 pages
Print Icon
To Next Page IconTo Next Page
To Next Page IconTo Next Page
To Previous Page IconTo Previous Page
To Previous Page IconTo Previous Page
Loading...
7
taaa
ee
osa
ar
temas
-一
49
BI9%
e
ei
e
BUD,
[NP
NAME
т
т
941047
‘ON
sile
GALE
A
4
[7
9416
EN
4
E
BAUER.
.11CN
4
GAS10IHEF4051BP
7
lus
le
re
QALOALM2903N
e
le
μπα
νο
eev
cias
100N
e
@4103
SP105
02112548
92404
921410
A408
LMS58N
92403
021410
ks
CR4SO
À
“Urivesez
ea
İ
tg
cR117
to
4130-11
———————
La
>
бин:
to
Mt
“一
A
pci/2
97
wa
ii
pop
me.
----08
Ae
pa7/ž
-----'---'.Θν
to
na
me
rem
ax
—024
to
mio
AL
4/0
2
О
ーーーーーー-O
io
to
010g
MD
1
NB
4
10
R152/R183
ŠLO
10064z
-—————
——0
12
тез
“va.
o
Lie
“a
on
V/A
---—02
Ten
4
ot:
0”
ve
ME
mara
s/n
a
ka
5Y/D
ai
sag
O25
1005
=
Me
0
그“
e
eti
Ya
«45.20
-
ao
4
=
no
es
ES
mo
~
33
359
вам
pack
LP
14
CET
ale
sla
SE
SB
8888
(el
Logos
PA
A
|a
Aste
s
218
2402
=
ore
ye
i
©:
ELMAN
i
GR
tado
de
E
BYV27-150
+
[5249
ve
J7
MAIN
BOARD
901-834
DAAWING
NO.
3690-A2
DISPLAY
BOARD
901-836
DRAWING
NO.
2441-A1
HICd-BATTERY
SA/SLON
2370-A1
431-010
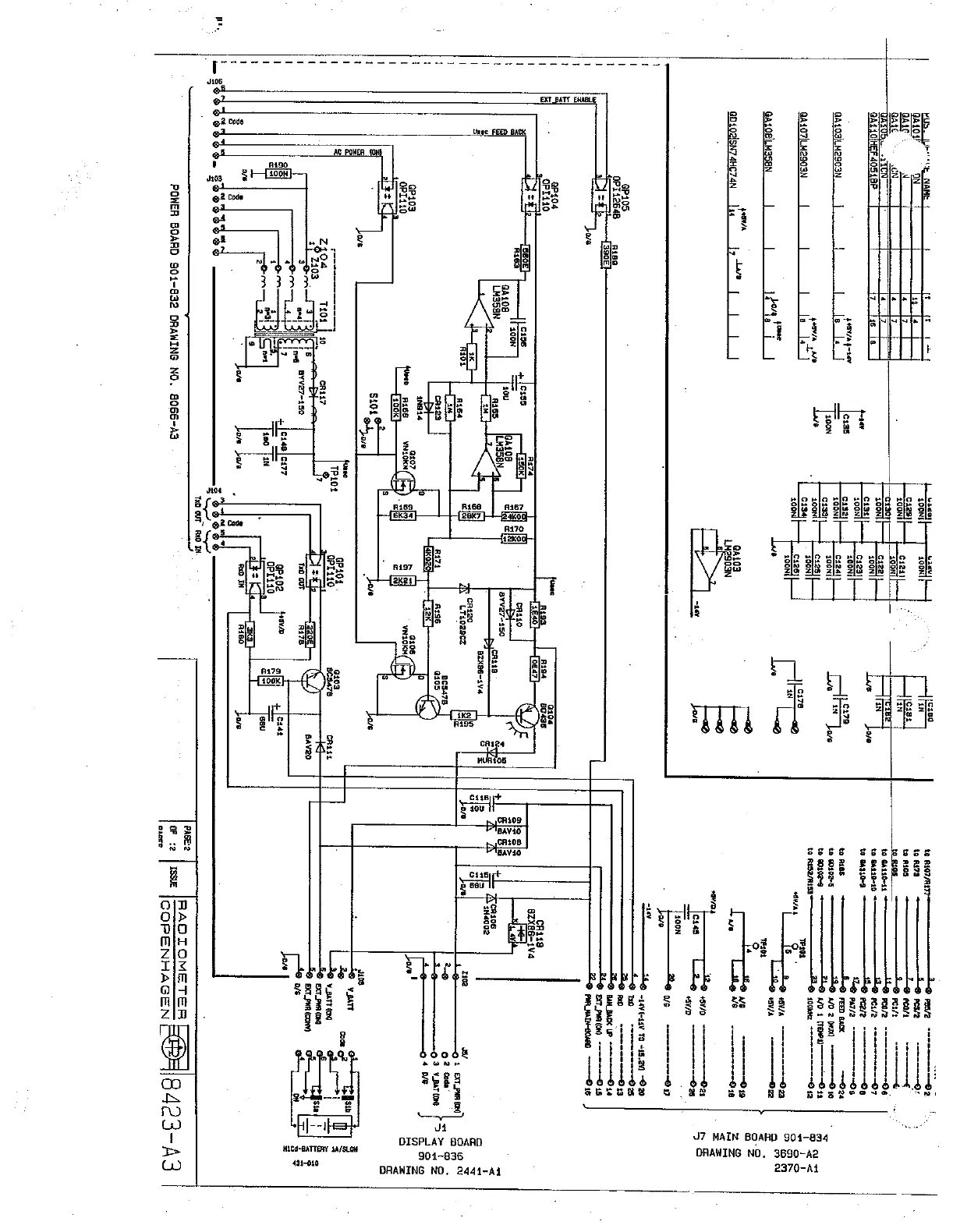
POWER BOARD
901-832
DRAWING
NO..
8066-A3
PAGE
2
OF
:2
mere
RADIOMETER
[su
papzomeren
Ea
103-A3

Related product manuals