EasyManua.ls Logo

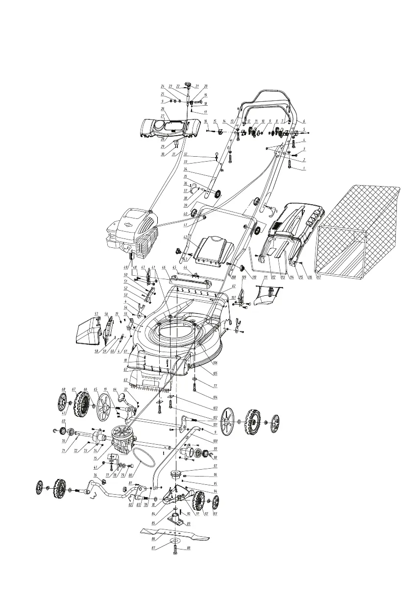
Raider RD-GLM09 - Exploded View and Spare Parts List

Raider RD-GLM09
Print Icon
To Next Page IconTo Next Page
To Next Page IconTo Next Page
To Previous Page IconTo Previous Page
To Previous Page IconTo Previous Page
Loading...
94 www.raider.bg


Related product manuals