EasyManua.ls Logo

Ramsey Electronics DDF1 - Schematic Diagram

Default Icon
36 pages
Print Icon
To Next Page IconTo Next Page
To Next Page IconTo Next Page
To Previous Page IconTo Previous Page
To Previous Page IconTo Previous Page
Loading...
DDF1 34
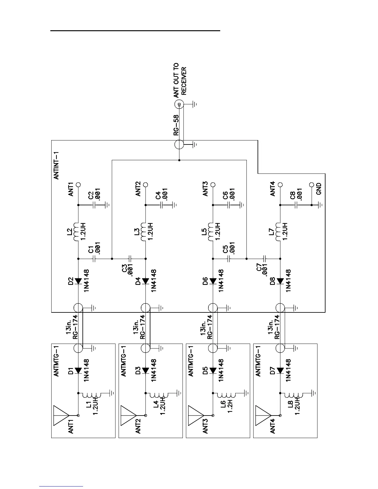
DDF-1 ANTENNA SCHEMATIC DIAGRAM