EasyManua.ls Logo

Rane ONE - Page 42

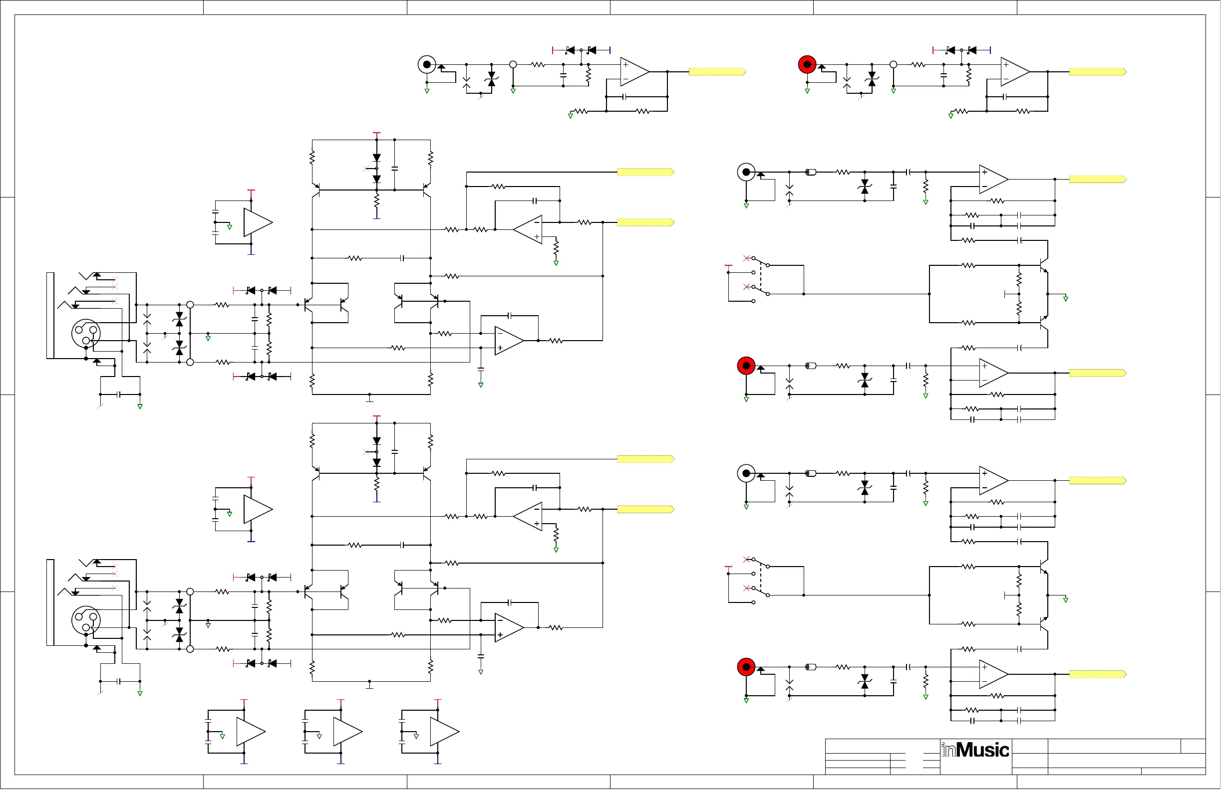
Rane ONE
72 pages
Print Icon
To Next Page IconTo Next Page
To Next Page IconTo Next Page
To Previous Page IconTo Previous Page
To Previous Page IconTo Previous Page
Loading...
1
1
2
2
3
3
4
4
5
5
6
6
D D
C C
B B
A A
1
200 Scenic View Dr.
Cumberland, RI 02864 78/4/2020
Sheet: of
NK49-Analog-Inputs.SchDoc
NK49-MAIN.PrjPcb
Originally Drawn By:
Project:
Sheet:
Variant: Production
Last Modified By:
Last Modified:
Copyright 2019, inMusic Brands
All Rights Reserved
Rev I
AUX_LEFT 2
MIC1
GND
1.21K
R110
1.21K
R115
200
R91
200
R92
15.0K
R96
3.74K
R100
3.74KR106
1.24K
R103
2.49K
R99
2.49KR94
1.00K
R112
1
3
2
D5
MMBD4148SE
10uF
10V
C78
47uF
10V
C88
120pF
50V
C89
47pF
50V
C94
47pF
50V
C90
12pF
50V
C81
1
23
Q2
2907A
1
23
Q1
2907A
1
2
3
+
-
G
5
9
6
10
7
11
T
R
S
8
4
J3
COMBO-XLR-TRS
GND
120pF
50V
C91
100 R117
100R108
-8V0
+8V0
1.00K
R113
-8V0
GND
GND
+8V0
-8V0
0.1uF
50V
C82
0.1uF
50V
C86
GND
+8V0 -8V0
+8V0 -8V0 2.21K
R121
2.21K
R119
MIC2
GND
1.21K
R142
1.21K
R148
200
R124
200
R125
15.0K
R128
3.74K
R133
3.74K
R138
1.24K
R135
2.49K
R130
2.49KR126
1.00K
R144
1
3
2
D12
MMBD4148SE
10uF
10V
C99
47uF
10V
C109
120pF
50V
C110
47pF
50V
C114
47pF
50V
C111
12pF
50V
C102
1
23
Q10
2907A
1
23
Q9
2907A
1
2
3
+
-
G
5
9
6
10
7
11
T
R
S
8
4
J5
COMBO-XLR-TRS
Z6
2,200pF
Z5
2,200pF
120pF
50V
C112
100 R149
100R141
-8V0
+8V0
1.00K
R146
-8V0
GND
GND
+8V0
-8V0
0.1uF
50V
C103
0.1uF
50V
C104
GND
MIC GAIN = 25 dB (18.6x)
MAX INPUT = 0.106 Vrms
2.21K
R153
2.21K
R151
AUX LEFT AUX RIGHT
PH/LN 1L 2
PH/LN 1R 2
MIC1+ 2
MIC1- 2
MIC2+ 2
MIC2- 2
1
23
Q4
BC860BMTF
1
23
Q5
BC860BMTF
1
23
Q6
BC860BMTF
1
23
Q7
BC860BMTF
1
23
Q12
BC860BMTF
1
23
Q13
BC860BMTF
1
23
Q14
BC860BMTF
1
23
Q15
BC860BMTF
Z4
2,200pF
Z3
2,200pF
Z1
2,200pF
5.11K
R85
220pF
50V
C74
220pF
50V
C76
5.11KR83
5.11K
R89
5.11K R87
GND
GND
Z2
2,200pF
5.11K
R86
220pF
50V
C75
220pF
50V
C77
5.11KR84
5.11K
R90
5.11K R88
GND
GND
+8V0
-8V0
0.1uF
50V
C118
0.1uF
50V
C123
GND
+8V0
-8V0
0.1uF
50V
C119
0.1uF
50V
C124
GND
+8V0
-8V0
0.1uF
50V
C120
0.1uF
50V
C125
GND
402R104
402R137
402
R101
402
R114
402
R147
402
R134
TOP
6
5
4
J2B
RCA
FB1
100R93
D6
ESD5B5.0ST1G
100pF
50V
C80
47.5K
R95
2
3
1
U11A
NJM4580M
15.0KR97
1.18KR98
39.2
R102
0.068uF
50V
C84 0.1uF, 25VC85
+
1,000uF
6.3V
C87
3
1
2
Q3
2SD2704K
1.00M
R107
S1
FB2
100R118
D10
ESD5B5.0ST1G
100pF
50V
C95
47.5K
R120
6
5
7
U11B
NJM4580M
15.0KR122
1.18K
R123
0.068uF
50V
C97 0.1uF, 25VC98
PH/LN 1 LEFT
39.2R116
+
1,000uF
6.3V
C92
1.00M
R109
3.32KR111
3.32KR105
UP: LINE / DOWN: PHONO
3
1
2
Q8
2SD2704K
Line Gain = 0dB
Phono Gain = +31.7dB @ 1kHz
0.1uF, 25VC83
0.1uF, 25VC96
+
10uF
16V
C79
+
10uF
16V
C93
SP3
8MIL
SP6
8MIL
BOTTOM
3
2
1
J2A
RCA
AUX_RIGHT 2
PH/LN 2L 2
PH/LN 2R 2
TOP
6
5
4
J4B
RCA
FB3
100R127
D13
ESD5B5.0ST1G
100pF
50V
C101
47.5K
R129
2
3
1
U13A
NJM4580M
15.0KR131
1.18K
R132
39.2
R136
0.068uF
50V
C106 0.1uF, 25VC107
+
1,000uF
6.3V
C108
3
1
2
Q11
2SD2704K
1.00M
R140
S2
FB4
100R152
D18
ESD5B5.0ST1G
100pF
50V
C116
47.5K
R154
6
5
7
U13B
NJM4580M
15.0KR155
1.18K
R156
0.068uF
50V
C121 0.1uF, 25VC122
PH/LN 2 LEFT
39.2R150
+
1,000uF
6.3V
C113
1.00M
R143
3.32KR145
3.32KR139
UP: LINE / DOWN: PHONO
3
1
2
Q16
2SD2704K
Line Gain = 0dB
Phono Gain = +31.7dB @ 1kHz
0.1uF, 25VC105
0.1uF, 25VC117
+
10uF
16V
C100
+
10uF
16V
C115
SP7
8MIL
SP10
8MIL
BOTTOM
3
2
1
J4A
RCA
BOTTOM
3
2
1
J1A
RCA
TOP
6
5
4
J1B
RCA
GND GND
PH/LN 1 RIGHT
PH/LN 2 RIGHT
2
3
1
U10A
NJM4580M
6
5
7
U10B
NJM4580M
-
4
+
8
U10C
NJM4580M
-
4
+
8
U11C
NJM4580M
-
4
+
8
U13C
NJM4580M
GND
GND
GND
GND
GND
GND
GND
GND
GND
GND
SP1
8MIL
SP5
8MIL
SP4
8MIL
ESD
D8
11CAT3G
D9
11CAT3G
ESD
D15
11CAT3G
D16
11CAT3G
SP9
8MIL
SP8
8MIL
D3
P6SMB11CAT3G
SP2
8MIL
D4
P6SMB11CAT3G
ESD ESD
ESD
ESD
ESD
ESD
+8V0
+8V0
-8V0
-8V0
MAX Line Input 4Vrms
-2.5V -2.5V
2
3
1
U12A
NJM4580M
6
5
7
U12B
NJM4580M
-
4
+
8
U12C
NJM4580M
2
3
1
U14A
NJM4580M
6
5
7
U14B
NJM4580M
-
4
+
8
U14C
NJM4580M
1
3
2
D47
BAT54S
1
3
2
D48
BAT54S
+8V0 -8V0
1
3
2
D49
BAT54S
+8V0 -8V0
1
3
2
D50
BAT54S
+8V0 -8V0
1
3
2
D45
BAT54S
+8V0 -8V0
1
3
2
D46
BAT54S
ESD
0.1uF
50V
C23
GNDESD
0.1uF
50V
C24
ESD GND must connect to earth GND via chassis bottom
PIC2301
PIC2302
COC23
PIC2401
PIC2402
COC24
PIC7401
PIC7402
COC74
PIC7501
PIC7502
COC75
PIC7601
PIC7602
COC76
PIC7701
PIC7702
COC77
PIC7801
PIC7802
COC78
PIC7901
PIC7902
COC79
PIC8001
PIC8002
COC80
PIC8101
PIC8102
COC81
PIC8201
PIC8202
COC82
PIC8301
PIC8302
COC83
PIC8401
PIC8402
COC84
PIC8501
PIC8502
COC85
PIC8601
PIC8602
COC86
PIC8701 PIC8702
COC87
PIC8801
PIC8802
COC88
PIC8901
PIC8902
COC89
PIC9001
PIC9002
COC90
PIC9101
PIC9102
COC91
PIC9201 PIC9202
COC92
PIC9301
PIC9302
COC93
PIC9401
PIC9402
COC94
PIC9501
PIC9502
COC95
PIC9601 PIC9602
COC96
PIC9701
PIC9702
COC97
PIC9801 PIC9802
COC98
PIC9901
PIC9902
COC99
PIC10001
PIC10002
COC100
PIC10101
PIC10102
COC101
PIC10201
PIC10202
COC102
PIC10301
PIC10302
COC103
PIC10401
PIC10402
COC104
PIC10501 PIC10502
COC105
PIC10601
PIC10602
COC106
PIC10701
PIC10702
COC107
PIC10801 PIC10802
COC108
PIC10901
PIC10902
COC109
PIC11001
PIC11002
COC110
PIC11101
PIC11102
COC111
PIC11201
PIC11202
COC112
PIC11301 PIC11302
COC113
PIC11401
PIC11402
COC114
PIC11501
PIC11502
COC115
PIC11601
PIC11602
COC116
PIC11701
PIC11702
COC117
PIC11801
PIC11802
COC118
PIC11901
PIC11902
COC119
PIC12001
PIC12002
COC120
PIC12101
PIC12102
COC121
PIC12201 PIC12202
COC122
PIC12301
PIC12302
COC123
PIC12401
PIC12402
COC124
PIC12501
PIC12502
COC125
PID301
PID302
COD3
PID401
PID402
COD4
PID501
PID502
PID503
COD5
PID601
PID602
COD6
PID801
PID802
COD8
PID901
PID902
COD9
PID1001
PID1002
COD10
PID1201
PID1202
PID1203
COD12
PID1301
PID1302
COD13
PID1501
PID1502
COD15
PID1601
PID1602
COD16
PID1801
PID1802
COD18
PID4501
PID4502
PID4503
COD45
PID4601
PID4602
PID4603
COD46
PID4701
PID4702
PID4703
COD47
PID4801
PID4802
PID4803
COD48
PID4901
PID4902
PID4903
COD49
PID5001
PID5002
PID5003
COD50
PIFB101
PIFB102
COFB1
PIFB201
PIFB202
COFB2
PIFB301
PIFB302
COFB3
PIFB401
PIFB402
COFB4
PIJ101
PIJ102
PIJ103
COJ1A
PIJ104
PIJ105
PIJ106
COJ1B
PIJ201
PIJ202
PIJ203
COJ2A
PIJ204
PIJ205
PIJ206
COJ2B
PIJ301
PIJ302
PIJ303
PIJ304
PIJ305
PIJ306
PIJ307
PIJ308
PIJ309
PIJ3010
PIJ3011
COJ3
PIJ401
PIJ402
PIJ403
COJ4A
PIJ404
PIJ405
PIJ406
COJ4B
PIJ501
PIJ502
PIJ503
PIJ504
PIJ505
PIJ506
PIJ507
PIJ508
PIJ509
PIJ5010
PIJ5011
COJ5
PIQ101
PIQ102
PIQ103
COQ1
PIQ201
PIQ202
PIQ203
COQ2
PIQ301
PIQ302
PIQ303
COQ3
PIQ401
PIQ402
PIQ403
COQ4
PIQ501
PIQ502
PIQ503
COQ5
PIQ601
PIQ602
PIQ603
COQ6
PIQ701
PIQ702
PIQ703
COQ7
PIQ801
PIQ802
PIQ803
COQ8
PIQ901
PIQ902
PIQ903
COQ9
PIQ1001
PIQ1002
PIQ1003
COQ10
PIQ1101
PIQ1102
PIQ1103
COQ11
PIQ1201
PIQ1202
PIQ1203
COQ12
PIQ1301
PIQ1302
PIQ1303
COQ13
PIQ1401
PIQ1402
PIQ1403
COQ14
PIQ1501
PIQ1502
PIQ1503
COQ15
PIQ1601
PIQ1602
PIQ1603
COQ16
PIR8301
PIR8302
COR83
PIR8401
PIR8402
COR84
PIR8501
PIR8502
COR85
PIR8601
PIR8602
COR86
PIR8701
PIR8702
COR87
PIR8801
PIR8802
COR88
PIR8901
PIR8902
COR89
PIR9001
PIR9002
COR90
PIR9101
PIR9102
COR91
PIR9201
PIR9202
COR92
PIR9301
PIR9302
COR93
PIR9401
PIR9402
COR94
PIR9501
PIR9502
COR95
PIR9601
PIR9602
COR96
PIR9701
PIR9702
COR97
PIR9801
PIR9802
COR98
PIR9901
PIR9902
COR99
PIR10001
PIR10002
COR100
PIR10101
PIR10102
COR101
PIR10201
PIR10202
COR102
PIR10301
PIR10302
COR103
PIR10401
PIR10402
COR104
PIR10501
PIR10502
COR105
PIR10601
PIR10602
COR106
PIR10701
PIR10702
COR107
PIR10801
PIR10802
COR108
PIR10901
PIR10902
COR109
PIR11001
PIR11002
COR110
PIR11101
PIR11102
COR111
PIR11201
PIR11202
COR112
PIR11301
PIR11302
COR113
PIR11401
PIR11402
COR114
PIR11501
PIR11502
COR115
PIR11601
PIR11602
COR116
PIR11701
PIR11702
COR117
PIR11801
PIR11802
COR118
PIR11901
PIR11902
COR119
PIR12001
PIR12002
COR120
PIR12101
PIR12102
COR121
PIR12201
PIR12202
COR122
PIR12301
PIR12302
COR123
PIR12401
PIR12402
COR124
PIR12501
PIR12502
COR125
PIR12601
PIR12602
COR126
PIR12701
PIR12702
COR127
PIR12801
PIR12802
COR128
PIR12901
PIR12902
COR129
PIR13001
PIR13002
COR130
PIR13101
PIR13102
COR131
PIR13201
PIR13202
COR132
PIR13301
PIR13302
COR133
PIR13401
PIR13402
COR134
PIR13501
PIR13502
COR135
PIR13601
PIR13602
COR136
PIR13701
PIR13702
COR137
PIR13801
PIR13802
COR138
PIR13901
PIR13902
COR139
PIR14001
PIR14002
COR140
PIR14101
PIR14102
COR141
PIR14201
PIR14202
COR142
PIR14301
PIR14302
COR143
PIR14401
PIR14402
COR144
PIR14501
PIR14502
COR145
PIR14601
PIR14602
COR146
PIR14701
PIR14702
COR147
PIR14801
PIR14802
COR148
PIR14901
PIR14902
COR149
PIR15001
PIR15002
COR150
PIR15101
PIR15102
COR151
PIR15201
PIR15202
COR152
PIR15301
PIR15302
COR153
PIR15401
PIR15402
COR154
PIR15501
PIR15502
COR155
PIR15601
PIR15602
COR156
PIS101
PIS102
PIS103
PIS104
PIS105
PIS106
COS1
PIS201
PIS202
PIS203
PIS204
PIS205
PIS206
COS2
PISP101
PISP102
COSP1
PISP201
PISP202
COSP2
PISP301
PISP302
COSP3
PISP401
PISP402
COSP4
PISP501
PISP502
COSP5
PISP601
PISP602
COSP6
PISP701
PISP702
COSP7
PISP801
PISP802
COSP8
PISP901
PISP902
COSP9
PISP1001
PISP1002
COSP10
PIU1001
PIU1002
PIU1003
COU10A
PIU1005
PIU1006
PIU1007
COU10B
PIU1004
PIU1008
COU10C
PIU1101
PIU1102
PIU1103
COU11A
PIU1105
PIU1106
PIU1107
COU11B
PIU1104
PIU1108
COU11C
PIU1201
PIU1202
PIU1203
COU12A
PIU1205
PIU1206
PIU1207
COU12B
PIU1204
PIU1208
COU12C
PIU1301
PIU1302
PIU1303
COU13A
PIU1305
PIU1306
PIU1307
COU13B
PIU1304
PIU1308
COU13C
PIU1401
PIU1402
PIU1403
COU14A
PIU1405
PIU1406
PIU1407
COU14B
PIU1404
PIU1408
COU14C
PIZ101
PIZ102
PIZ103
COZ1
PIZ201
PIZ202
PIZ203
COZ2
PIZ301
PIZ302
PIZ303
COZ3
PIZ401
PIZ402
PIZ403
COZ4
PIZ501
PIZ502
PIZ503
COZ5
PIZ601
PIZ602
PIZ603
COZ6
PIC7802
PIC8201
PIC9902
PIC10301
PIC11801
PIC11901
PIC12001
PID501
PID1201
PID4502
PID4602
PID4702
PID4802
PID4902
PID5002
PIR9101
PIR9202
PIR12401
PIR12502
PIS101
PIS104
PIS201
PIS204
PIU1008
PIU1108
PIU1208
PIU1308
PIU1408
PIC8602
PIC10402
PIC12302
PIC12402
PIC12502
PID4501
PID4601
PID4701
PID4801
PID4901
PID5001
PIR9602
PIR10702
PIR10901
PIR11902
PIR12101
PIR12802
PIR14002
PIR14301
PIR15102
PIR15301
PIU1004
PIU1104
PIU1204
PIU1304
PIU1404
PIC7602
PIR8701
PIU1001
POAUX0LEFT
PIC7702
PIR8801
PIU1007
POAUX0RIGHT
PIC2301
PIC2401
PIC8002
PIC9502
PIC10102
PIC11602
PID301
PID401
PID601
PID801
PID902
PID1001
PID1301
PID1501
PID1602
PID1801
PIJ304
PIJ308
PIJ504
PIJ508
PISP101
PISP201
PISP301
PISP401
PISP502
PISP601
PISP701
PISP801
PISP902
PISP1001
PIC2302
PIC2402
PIC7402
PIC7502
PIC8202
PIC8601
PIC8902
PIC9101
PIC9401
PIC10302
PIC10401
PIC11002
PIC11201
PIC11401
PIC11802
PIC11902
PIC12002
PIC12301
PIC12401
PIC12501
PIJ101
PIJ102
PIJ104
PIJ105
PIJ201
PIJ202
PIJ204
PIJ205
PIJ301
PIJ307
PIJ401
PIJ402
PIJ404
PIJ405
PIJ501
PIJ507
PIQ302
PIQ802
PIQ1102
PIQ1602
PIR8502
PIR8602
PIR8901
PIR9001
PIR9502
PIR10301
PIR11001
PIR11502
PIR12002
PIR12902
PIR13501
PIR14201
PIR14802
PIR15402
PIZ102
PIZ202
PIZ302
PIZ402
PIZ502
PIZ602
PIR9401
PIR10002 PIR10101
POMIC10
PIR9902
PIR10602
PIR11402
POMIC10
PIR12601
PIR13302 PIR13401
POMIC20
PIR13002
PIR13802
PIR14702
POMIC20
PIC7401
PID4503
PIR8302
PIR8501
PIU1003
PIC7501
PID4603
PIR8402
PIR8601
PIU1005
PIC7601
PIR8702
PIR8902
PIU1002
PIC7701
PIR8802
PIR9002
PIU1006
PIC7801
PID502
PIQ101
PIQ201
PIR9601
PIC7901
PIC8001
PID602
PIR9302
PIC7902
PIR9501
PIU1103
PIC8101
PIR10102
PIU1201
PIC8102
PIR9402
PIR9901
PIU1202
PIC8301
PIC8402
PIC8501
PIR9802
PIC8401
PIR9701
PIR9801
PIR10201
PIU1102
PIC8701
PIR10202
PIC8702
PIQ303
PIC8801
PIQ203
PIQ602
PIQ702
PIR10601
PIC8802
PIR10402
PIC8901
PID4703
PIQ401
PIQ501
PIR10802
PIR11002
PIC9001
PIR11202
PIU1206
PIC9002
PIR11401
PIU1207
PIC9102
PID4803
PIQ601
PIQ701
PIR11501
PIR11701
PIC9201
PIR11602
PIC9202
PIQ803
PIC9301
PIC9501
PID1002
PIR11802
PIC9302
PIR12001
PIU1105
PIC9402
PIR11302
PIU1205
PIC9601
PIC9702
PIC9801
PIR12302
PIC9701
PIR11601
PIR12201
PIR12301
PIU1106
PIC9901
PID1202
PIQ901
PIQ1001
PIR12801
PIC10001
PIC10101
PID1302
PIR12702
PIC10002
PIR12901
PIU1303
PIC10201
PIR13402
PIU1401
PIC10202
PIR12602
PIR13001
PIU1402
PIC10501
PIC10602
PIC10701
PIR13202
PIC10601
PIR13101
PIR13201
PIR13601
PIU1302
PIC10801
PIR13602
PIC10802
PIQ1103
PIC10901
PIQ1003
PIQ1402
PIQ1502
PIR13801
PIC10902
PIR13702
PIC11001
PID4903
PIQ1201
PIQ1301
PIR14102
PIR14202
PIC11101
PIR14402
PIU1406
PIC11102
PIR14701
PIU1407
PIC11202
PID5003
PIQ1401
PIQ1501
PIR14801
PIR14901
PIC11301
PIR15002
PIC11302
PIQ1603
PIC11402
PIR14602
PIU1405
PIC11501
PIC11601
PID1802
PIR15202
PIC11502
PIR15401
PIU1305
PIC11701
PIC12102
PIC12201
PIR15602
PIC12101
PIR15001
PIR15501
PIR15601
PIU1306
PID302
PIJ106
PISP102
PIZ101
PID402
PIJ103
PISP202
PIZ201
PID503
PID802
PIJ302
PIJ305
PISP402
PIZ301
PID901
PIJ303
PIJ306
PISP501
PIZ403
PID1203
PID1502
PIJ502
PIJ505
PISP802
PIZ501
PID1601
PIJ503
PIJ506
PISP901
PIZ603
PIFB101
PIJ206
PISP302
PIFB102
PIR9301
PIFB201
PIJ203
PISP602
PIFB202
PIR11801
PIFB301
PIJ406
PISP702
PIFB302
PIR12701
PIFB401
PIJ403
PISP1002
PIFB402
PIR15201
PIJ309
PIJ3010
PIJ3011
PIJ509
PIJ5010
PIJ5011
PIQ102
PIR9102
PIQ103
PIQ402
PIQ502
PIR10001
PIR10401
PIQ202
PIR9201
PIQ301
PIR10502
PIR10701
PIQ403
PIQ503
PIR11301
PIR12102
PIQ603
PIQ703
PIR11201
PIR11901
PIQ801
PIR10902
PIR11102
PIQ902
PIR12402
PIQ903
PIQ1202
PIQ1302
PIR13301
PIR13701
PIQ1002
PIR12501
PIQ1101
PIR13902
PIR14001
PIQ1203
PIQ1303
PIR14601
PIR15302
PIQ1403
PIQ1503
PIR14401
PIR15101
PIQ1601
PIR14302
PIR14502
PIR8301
PIZ103
PIR8401
PIZ203
PIR10302
PIU1203
PIR10501
PIR11101
PIS102
PIS105
PIR10801
PIZ303
PIR11702
PIZ401
PIR13502
PIU1403
PIR13901
PIR14501
PIS202
PIS205
PIR14101
PIZ503
PIR14902
PIZ601
PIS103
PIS106
PIS203
PIS206
PIC8302
PIC8502
PIR9702
PIU1101
POPH0LN 1L
PIC9602
PIC9802
PIR12202
PIU1107
POPH0LN 1R
PIC10502
PIC10702
PIR13102
PIU1301
POPH0LN 2L
PIC11702
PIC12202
PIR15502
PIU1307
POPH0LN 2R
POAUX0LEFT
POAUX0RIGHT
POMIC10
POMIC20
POPH0LN 1L
POPH0LN 1R
POPH0LN 2L
POPH0LN 2R

Related product manuals