EasyManua.ls Logo

Ravanson CS-20S - Page 5

Ravanson CS-20S
Print Icon
To Next Page IconTo Next Page
To Next Page IconTo Next Page
To Previous Page IconTo Previous Page
To Previous Page IconTo Previous Page
Loading...
UWAGA!
Podczas zasilania z akumulatora samochodowego, w czasie postoju może dojść do jego znacznego
rozładowania, co może spowodować problem z uruchomieniem silnika samochodu.
UWAGA!
Zmiana temperatur w izolowanym pojemniku chłodziarki (częste otwieranie lub wyłączanie) prowadzi
do powstania naturalnych zjawisk w postaci szronienia lub skraplania, widocznych na ściankach pojemnika
czy też wewnętrznej części pokrywy, jak również bezpośrednio na artykułach spożywczych.
V. OBSŁUGA
Postawić lodówkę na stabilnym i równym podłożu. Podłączyć kabel instalacyjny do źródła prądu.
Chłodziarka rozpocznie natychmiast chłodzenie lub grzanie komory wewnętrznej.
UWAGA!
Po osiągnięciu temperatury minimalnej/ maksymalnej urządzenie nie wyłączy się automatycznie.
Układ chłodniczy pracuje bez przerwy, dopóki jest podłączony do źródła zasilania oraz przełączniki funkcji
i zasilania znajdują się w trybie pracy.
RADY POZWALAJĄCE OSIĄGNĄĆ NAJLEPSZĄ WYDAJNOŚĆ CHŁODZENIA:
Wybrać dobrze wentylowane miejsce użytkowania. Zabezpieczyć przed promieniowaniem słonecznym
Do chłodziarki wkładać wyłącznie wcześniej schłodzone potrawy/ napoje
Nie otwierać chłodziarki częściej niż jest to konieczne
Nie otwierać pokrywy na dłużej niż jest to konieczne
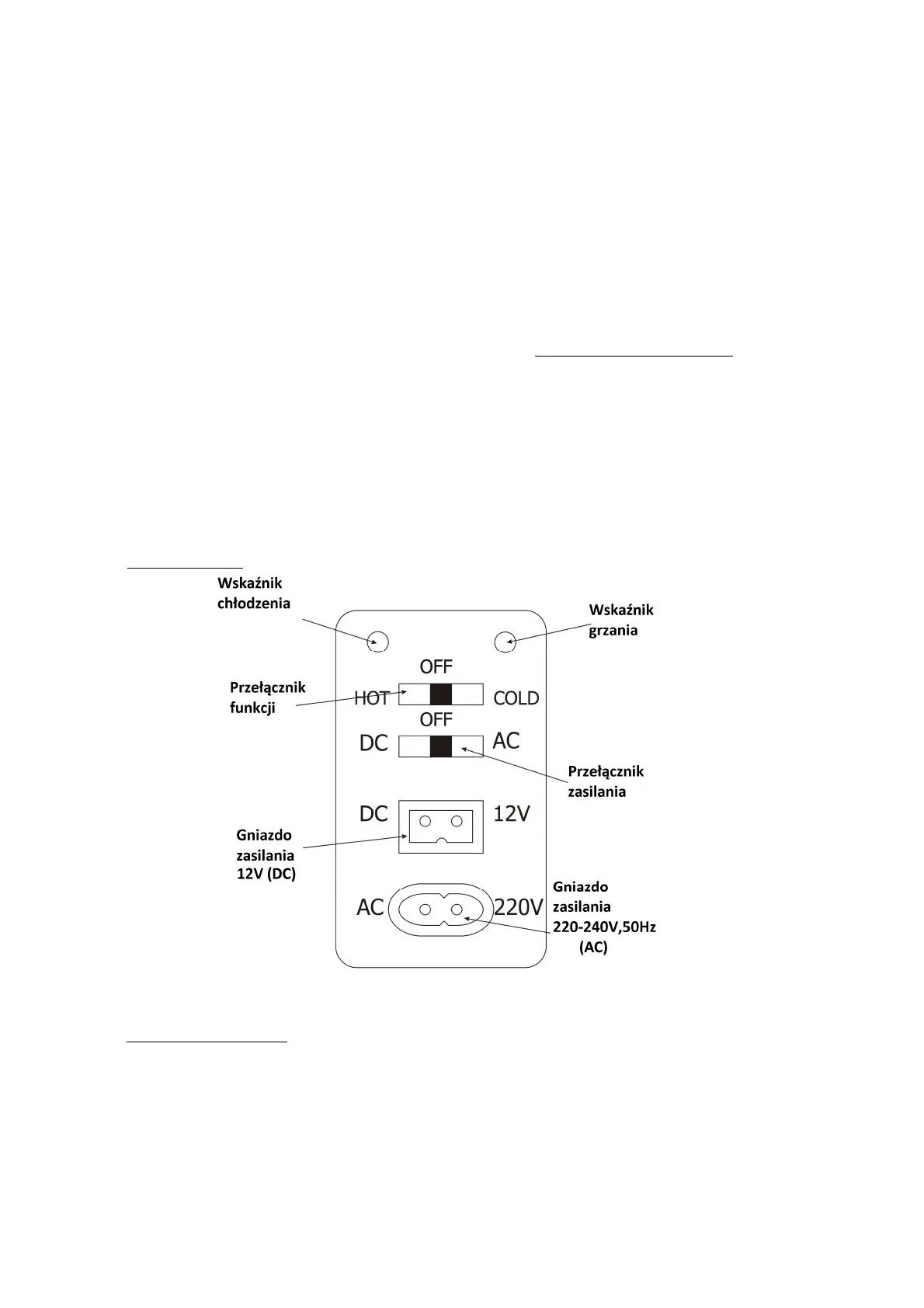
A. PANEL STERUJĄCY
UWAGA!
W zależności od modelu chłodziarki, panele sterujące mogą się różnić.
B. PODŁĄCZENIE ZASILANIA
UWAGA!
Model CS-20S; CS-24S posiada możliwość zasilenia TYLKO z gniazda zapalniczki samochodowej (12V - DC)!
PRZED PODŁĄCZENIEM ZASILANIA:
1. Sprawdzić czy PRZEŁĄCZNIK FUNKCJI znajduje się w pozycji „OFF”
2. Sprawdzić czy PRZEŁĄCZNIK ZASILANIA znajduje się w pozycji „OFF”
3. Podłączyć odpowiedni przewód zasilający w zależności od źródła zasilania:
a. Z gniazda zapalniczki samochodowej 12V do gniazda w chłodziarce oznaczonego „DC 12V
b. Z sieci elektrycznej 220-240V do gniazda w chłodziarce oznaczonego „AC 220V