EasyManua.ls Logo

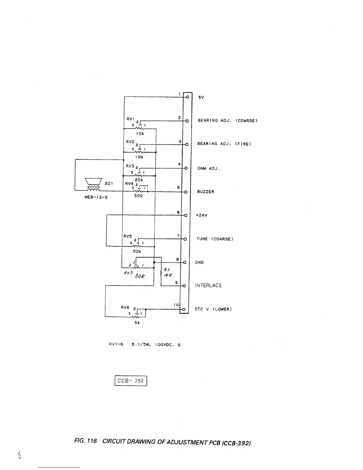
Raytheon R40X - Circuit Drawing of Adjustment

Raytheon R40X
177 pages
Print Icon
To Next Page IconTo Next Page
To Next Page IconTo Next Page
To Previous Page IconTo Previous Page
To Previous Page IconTo Previous Page
Loading...

Table of Contents

Related product manuals