EasyManua.ls Logo

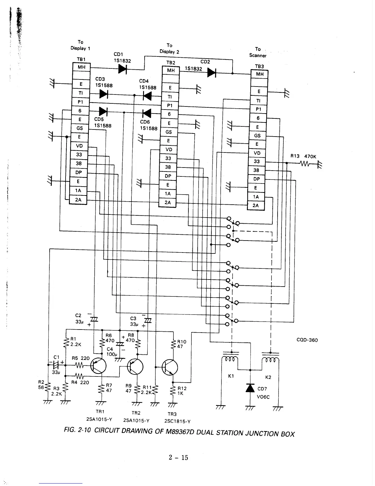
Raytheon R41 - Circuit Drawing of M89367 D Dual Station Junction Box

Raytheon R41
118 pages
Print Icon
To Next Page IconTo Next Page
To Next Page IconTo Next Page
To Previous Page IconTo Previous Page
To Previous Page IconTo Previous Page
Loading...

Table of Contents

Related product manuals