EasyManua.ls Logo

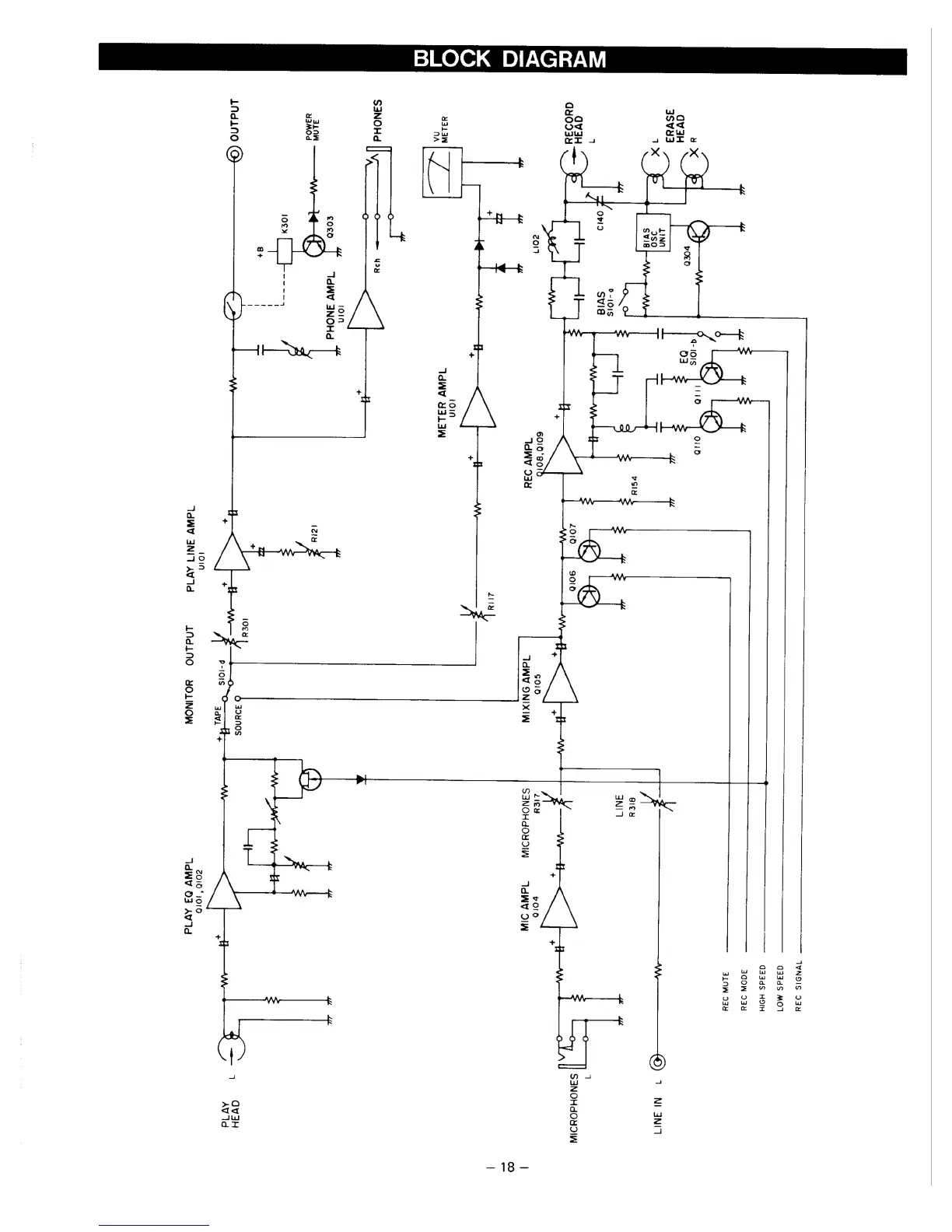
Realistic TR-3000 - BLOCK DIAGRAM

Realistic TR-3000
20 pages
Print Icon
To Next Page IconTo Next Page
To Next Page IconTo Next Page
To Previous Page IconTo Previous Page
To Previous Page IconTo Previous Page
Loading...