EasyManua.ls Logo

Recordio 591 - Page 8

Default Icon
15 pages
Print Icon
To Next Page IconTo Next Page
To Next Page IconTo Next Page
To Previous Page IconTo Previous Page
To Previous Page IconTo Previous Page
Loading...
ffi
Y- 1n
re
@-f
wwwww%
q
6
ffiffiffiffiry
Page
8
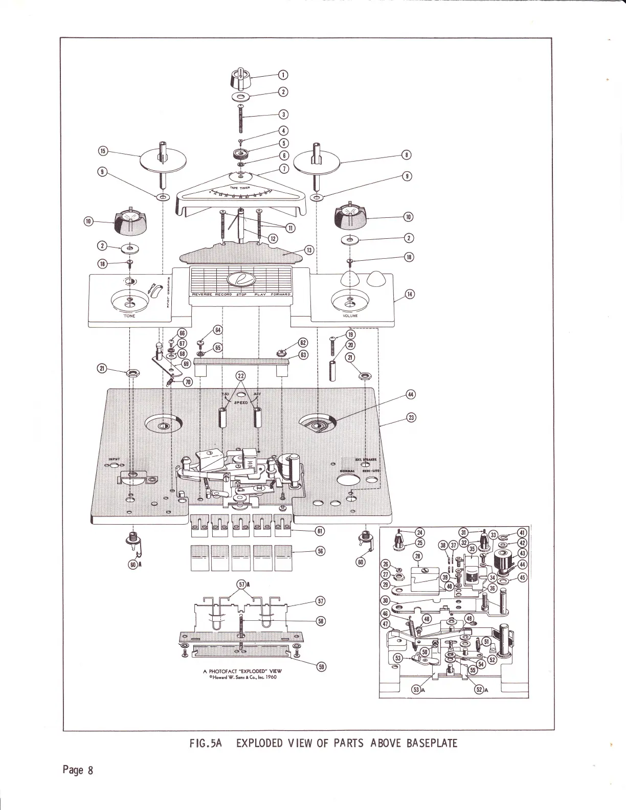
F IG.
5A
EXPLODED
V
IEW OF
PA
RTS
A
BOVE
BA SEPLATE