EasyManua.ls Logo

Redback A 1708 - Page 11

Redback A 1708
12 pages
Print Icon
To Next Page IconTo Next Page
To Next Page IconTo Next Page
To Previous Page IconTo Previous Page
To Previous Page IconTo Previous Page
Loading...
Redback® Proudly Made In Australia
11
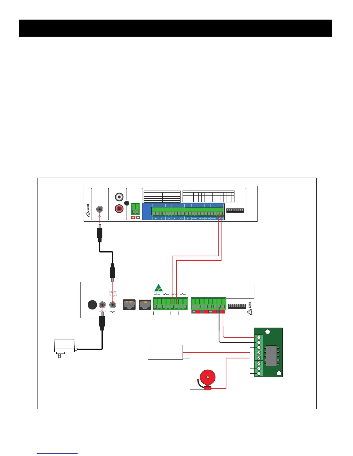
Fig 6.5
6.4 Switched 24V Outputs:
These terminals have 24V DC present when the corresponding zone is set “ON”.
These may be used to operate something like an external relay used to turn on a solenoid, a lunch bell, etc.
(NOTE: The maximum current draw per output is about 120 milliamps (internally polyswitch protected), so it is advisable
to run external 24V DC relays instead of trying to drive a 24V DC device directly from these outputs. See Fig 6.2 for an
example of this).
6.5 Closing Contacts:
These contacts “close” when the output zone is set “ON”. These can be used to trigger devices such as the Altronics
A 1741MP3 Message player.
Fig 6.5 demonstrates an example of how to connect the A 1708 to the A 1741. A 24V DC plugpack is used to power the
A 1708, the 24V DC output of the timer is then fed into the A 1741 using a power lead with 2.1mm DC connectors such
as the Altronics P 6717. Thus removing the need for another plugpack to power the message player.
The Zone 1 switched output of the timer is then used to trigger a 24V DC bell. As the current draw of the Bell is more
than 120mA a relay board is used to switch an external power supply. The Altronics S 4444 24V Relay Board as shown is
an inexpensive and easily installed option designed for this purpose.
In the example shown the Zone Output 2 closing contact of the timer is connected to the Input 1 trigger of the message
player. When Zone 2 is activated by the timer, message 1 of the message player will be played.
4
L
R
Line Out
12-30V DC
Switched
Out
12-30V DC
IN
1
www.altronics.com.au
Manufactured in Australia
By Altronic Distributors Pty. Ltd.
1 2 3 4 5 6 7 8
2
3567
8
Alert
Cancel
DIP Switch Settings
ON OFF
1
Triggers momentary Triggers alternate
2
Alert/Evac ON
Not Used
SW
TRIGGER OPERATION & ALERT/EVAC SETTINGS
DIP Switches
Evac
Triggers
Close
Contacts
to
Trigger
5
0 1 0 1 0 1 0 1 0 1 0 1 0 1 0 1
6
0 0 1 1 0 0 1 1 0 0 1 1 0 0 1 1
7
0 0 0 0 1 1 1 1 0 0 0 0 1 1 1 1
8
0 0 0 0 0 0 0 0 1 1 1 1 1 1 1 1
Delay
(Sec.)
OFF
30
60
90
120
150
180
210
240
270
300
330
360
390
420
450
AUTO ALERT TO EVAC SWITCHOVER TIMER SETTINGS. 0 = OFF. 1 = ON.SW
3
Front switches active Front switches de-activated
4
Alert/Evac OFF
+
+
-
1 2 3 4 5 6 7 8
24V Bell
(eg school bell, lunch bell etc)
24V DC Plugpack
(such as Altronics M 9391A)
24V DC Power lead
(such as Altronics P 6717)
(Not supplied)
A 1708
50 EVENT TIMER
A 1741
MP3 Message Player
+24V
GND
24V Relay Board
(Altronics S 4444)
N/C1
N/C2
N/O2
N/O1
COM1
COM2
External
24V DC Supply
+24V
GND
24VDC
Input
24VDC
4 3 2 1
4 3 2 1
24V Switched Out
DIP Switch Settings
SW ON
1
2
Station Edit Lockout Enabled
3
Edit Time Lockout Enabled
4
Clear Memory Lockout Enabled
Battery Backup On
www.altronics.com.au
Manufactured in Australia
By Altronic Distributors Pty. Ltd.
DIP Switches
Interface 1 Interface 2DC Fuse
M205
2 Amp
+
+
_
_
+-
+
+
_
_
+-
1 2 3 4 5 6 7 8