EasyManua.ls Logo

Redfox KDA 33 ED - Page 37

Default Icon
75 pages
Print Icon
To Next Page IconTo Next Page
To Next Page IconTo Next Page
To Previous Page IconTo Previous Page
To Previous Page IconTo Previous Page
Loading...
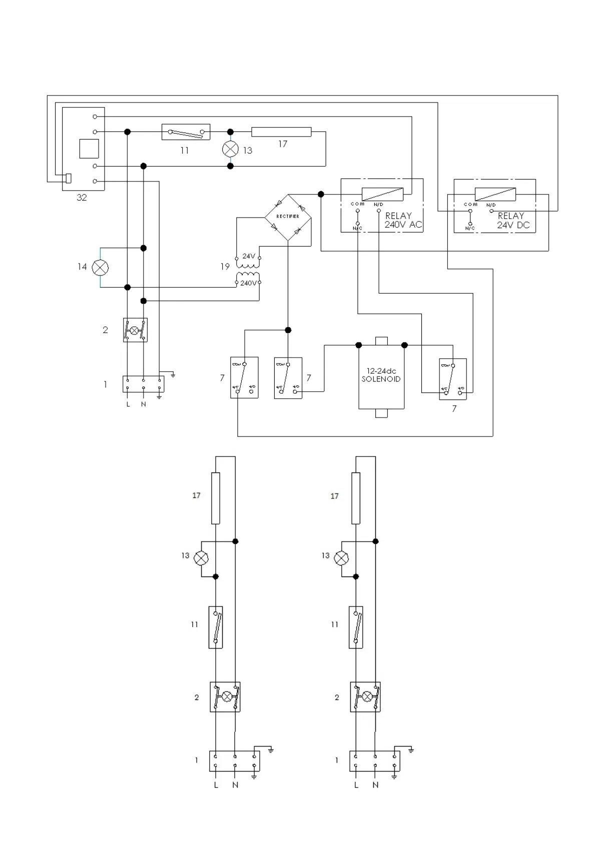
EL. CONNECTION DIAGRAM / SCHALTPLAN / SCHÉMA DU ELECTRIQUE
KDA-63 ED
37