EasyManua.ls Logo

Reliable Model C - Page 3

Reliable Model C
4 pages
Print Icon
To Next Page IconTo Next Page
To Next Page IconTo Next Page
To Previous Page IconTo Previous Page
To Previous Page IconTo Previous Page
Loading...
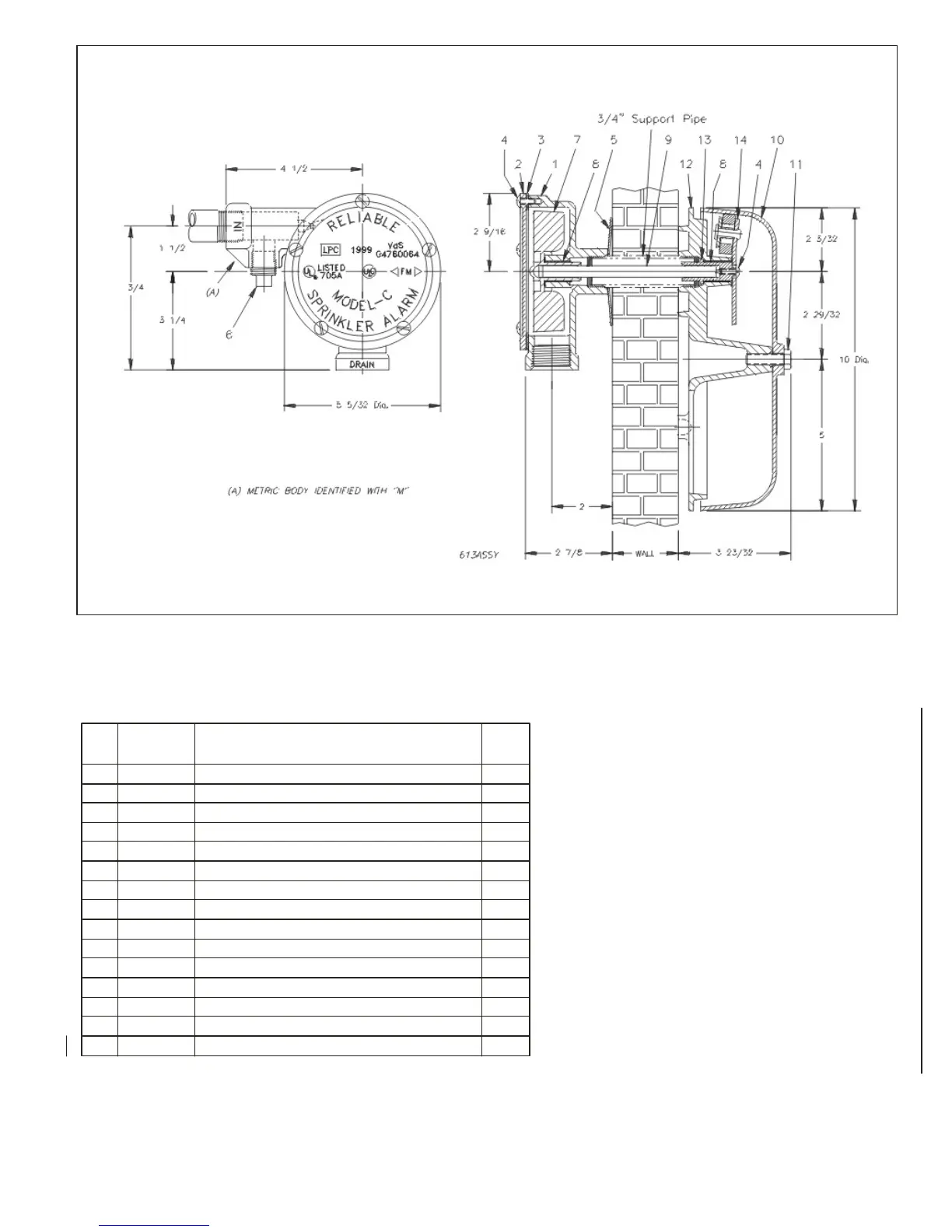
Model C Mechanical Sprinkler Alarm
Item Part Number Description
Qty.
Req’d
1 91006603 Body 1
2 92106603 Body Cover 1
3 93706602 Cover Gasket 1
4 95606604 Body Cover & Adapter Screw 6
5 96906603 Wall Support washer 1
6 98604402 Clean-out Plug 1
7 97006603 Pelton Wheel 1
8 90506603 Bearing 2
9 96206603 Drive Shaft, 18
1
10 93806612 Gong 1
11 91106601 Gong Bolt 1
12 95106603 Wall Plate 1
13 90086601 Driver Shaft Adapter 1
14 73020063 Striker Assembly 1
15 78650200 Strainer, ¾
24 Mesh (not shown) 1
List of Model C Mechanical Sprinkler Alarm Parts
3.
Should replacement parts be needed, use only genuine Reliable made parts.
When ordering, specify part number, name, model and serial number of the
unit.