EasyManua.ls Logo

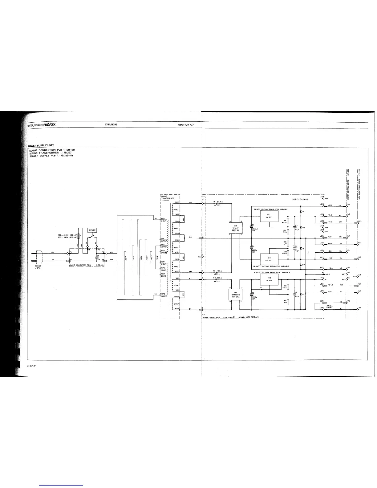
Revox B791 - Power Supply Unit Schematic

Revox B791
80 pages
Print Icon
To Next Page IconTo Next Page
To Next Page IconTo Next Page
To Previous Page IconTo Previous Page
To Previous Page IconTo Previous Page
Loading...

Related product manuals