EasyManua.ls Logo

Riata Rake RA1108 - Page 27

Default Icon
32 pages
Print Icon
To Next Page IconTo Next Page
To Next Page IconTo Next Page
To Previous Page IconTo Previous Page
To Previous Page IconTo Previous Page
Loading...
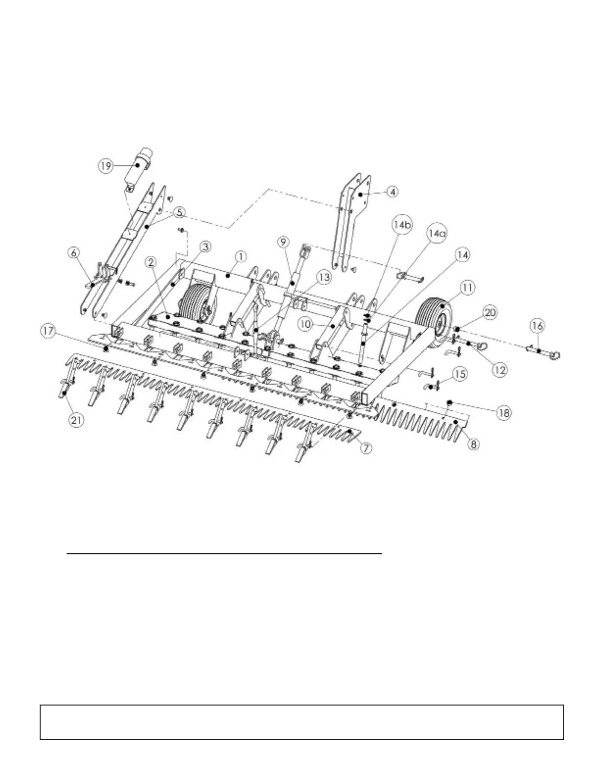
Parts Catalog
24 PARTS CATALOG
Cat. 1 & 2 Hitch
1108 and 1110
*lower hitch bushings for I-Match compatibility sold separately.
Additional 11 Series Accessories available for purchase:
Fence Blade Kit: Order # 5RR1108A023A
1108 Ripper/Scarier Kit (QTY 9): Order # 5RR1108A022A
1110 Ripper/Scarier Kit (QTY 11): Order # 5RR1110A022A
Hydraulic Cylinder Kit (for inside leveling comb): Order # 5RR1108A020A