EasyManua.ls Logo

RidgeLine 97006 - Engine Assembly

RidgeLine 97006
71 pages
Print Icon
To Next Page IconTo Next Page
To Next Page IconTo Next Page
To Previous Page IconTo Previous Page
To Previous Page IconTo Previous Page
Loading...
67
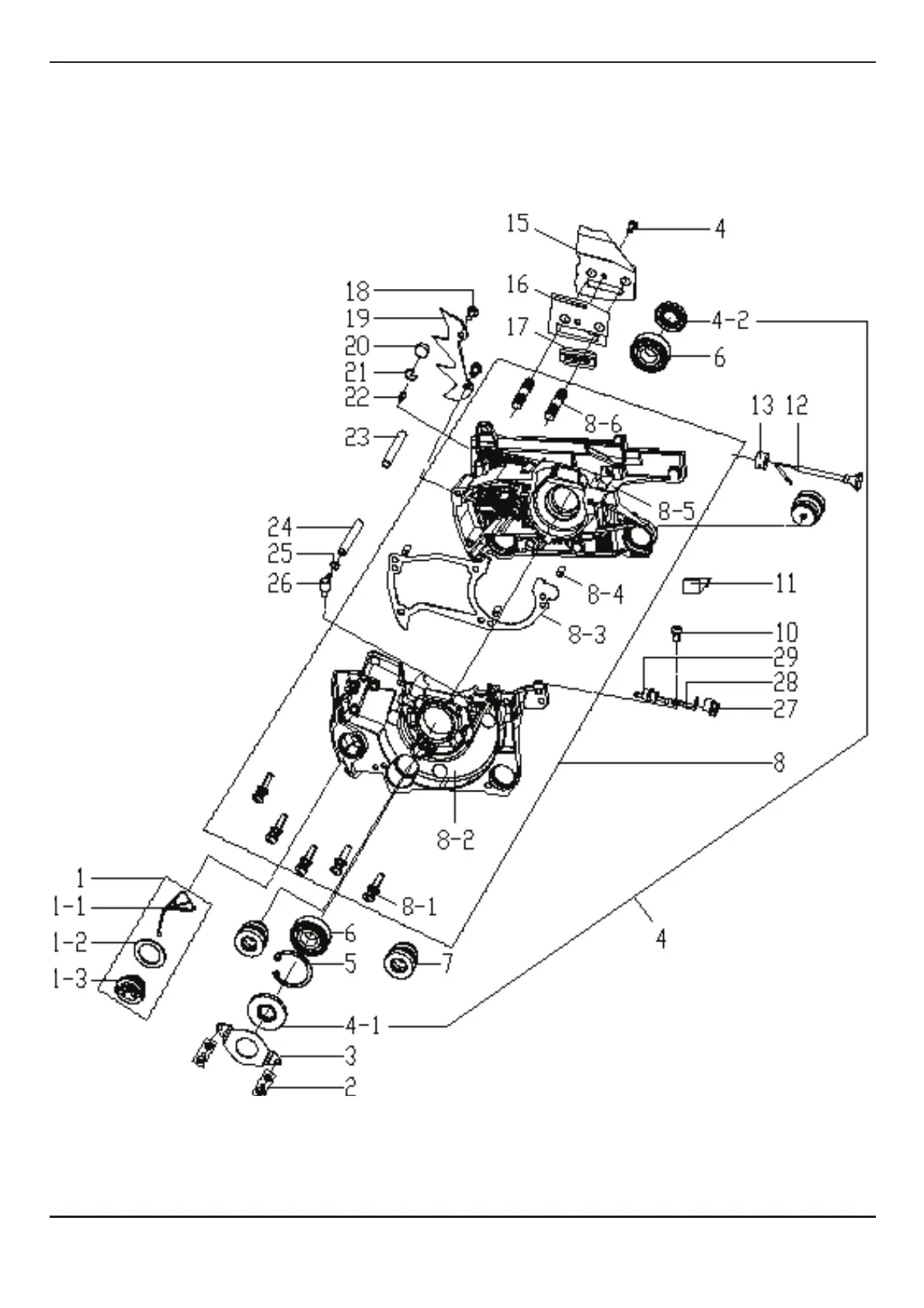
J. Engine Assembly
For Customer Service:
Please call 877-713-3189 (Toll Free), or email: Support@fot-usa.com